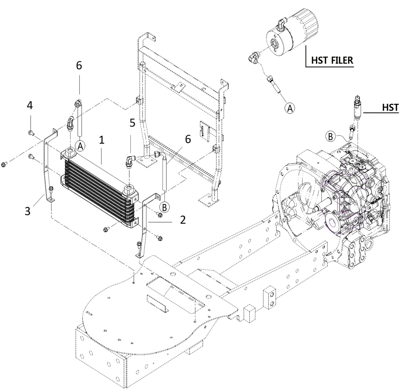
Oil Cooler