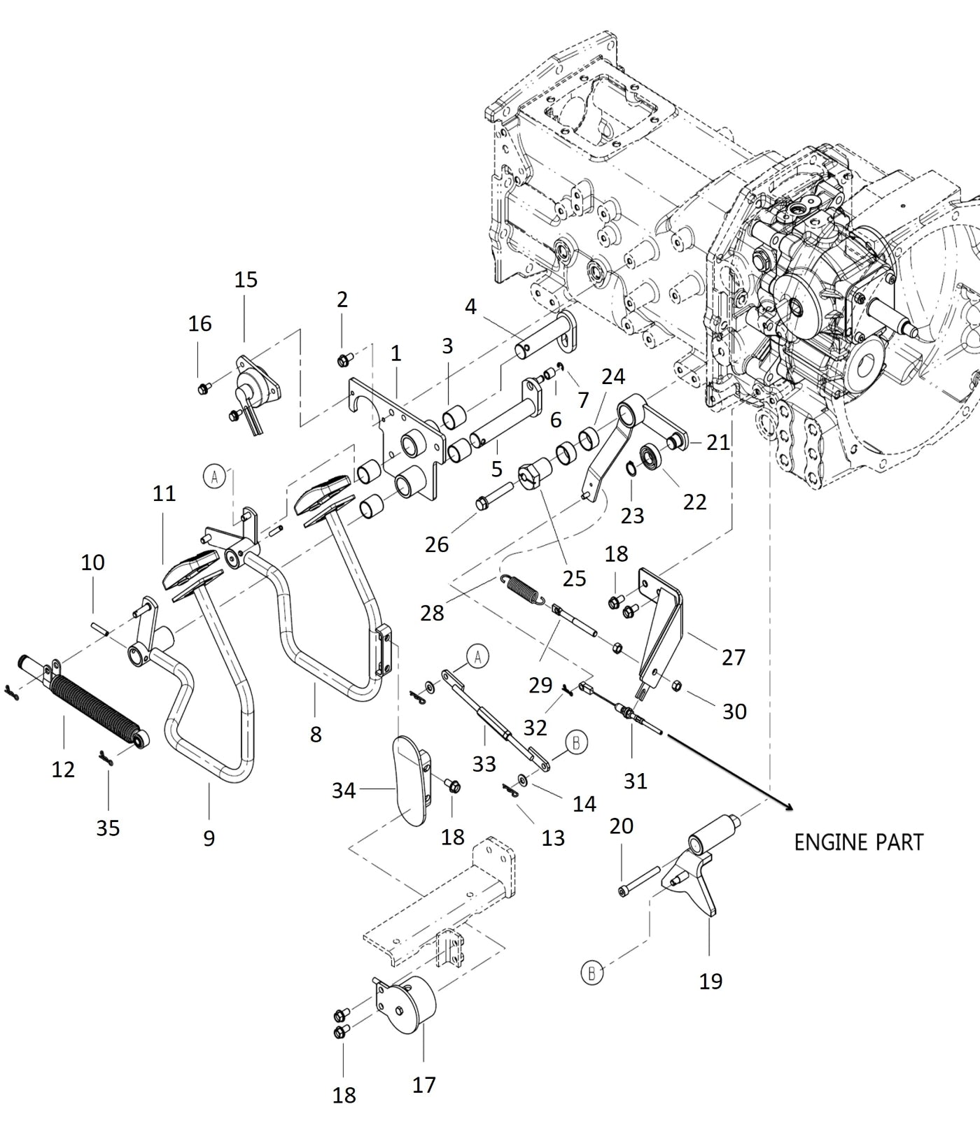
HYD Shift Transmission Pedal
Parts Index
- 1 PEDAL BRACKET ASS'Y for BB4025H/BB4035H (Qty 1)
- 2 SCREW,HEXFLANGEHEADCAP for BB2024H/BB3026H/BB4025H (Qty 3)
- 3 BUSH for BB4025H/BB4035H/BB4035CH (Qty 4)
- 6 ROLLER for BB4025H/BB4035H/BB4035CH (Qty 1)
- 7 RING, CIRCLIP (F 06) for BB2024H/BB3026H/BB4025H/ (Qty 1)
- 8 FORWARD PEDAL ASS'Y for BB4025H/BB4035H (Qty 1)
- 9 REAR PEDAL ASS'Y for BB4025H/BB4035H (Qty 1)
- 10 PIN, SPRING (6-30) for BB4025H/BB4035H/BB4035CH (Qty 2)
- 11 COVER, PEDAL (Qty 2)
- 12 DAMPER (Qty 1)
- 14 WASHER, PLAIN (F 08) for BB4025H/BB4035H/BB4035CH (Qty 2)
- 15 SWITCH(FR) (Qty 1)
- 16 Bolt, Hexa (6-16) for BB2024H/BB3026H/BB4025H/ (Qty 2)
- 17 CRUISE MAGNET (Qty 1)
- 20 BOLT for BB4025H/BB4035H/BB4035CH (Qty 1)
- 22 Bearing, Ball (#6003) Dubble Cap for BB4025H/ (Qty 1)
- 23 SNAP RING,SHAFT (F17) for BB4025H/BB4035H/BB4035CH (Qty 1)
- 24 BUSH 25X15 for BB4025H/BB4035H/BB4035CH (Qty 2)
- 26 BOLT for BB4025H/BB4035H/BB4035CH (Qty 1)
- 27 HOLDER ASS'Y, SPRING for BB4025H/BB4035H (Qty 1)
- 30 HEX NUT (Qty 2)
- 31 WIRE (Qty 1)