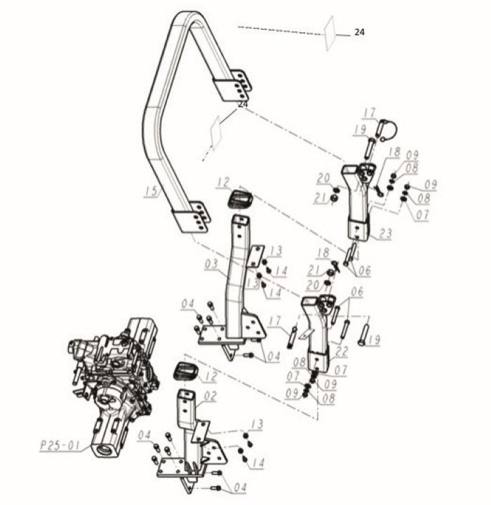
ROPS 2024H Only

Parts Index
- 2 FRAME, LOWER LH(B24) for BB2024H (Qty 1)
- 3 FRAME, LOWER RH(B24) for BB2024H (Qty 1)
- 4 SCREW,CAPTIVEWASHERCAP for BB2024H/BB3026H/BB4025H (Qty 12)
- 6 HEX BOLT for BB2024H/BB3026H (Qty 4)
- 7 WASHER, PLAIN (F 14) for BB2024H/BB3026H (Qty 4)
- 8 WASHER, SPRING (Qty 4)
- 9 HEX NUT (Qty 4)
- 13 CUSHION for BB2024H/BB3026H (Qty 4)
- 17 ROPS PIN (Qty 2)
- 19 BOLT for BB2024H/BB3026H (Qty 2)
- 20 WASHER, SPRING (F 18) for BB2024H/BB3026H/BB4025H/ (Qty 2)
- 21 NUT for BB2024H/BB3026H (Qty 2)
- 24 Rops Reflector BB4025H/BB4035H/BB2024H/BB3026H (Qty 2)