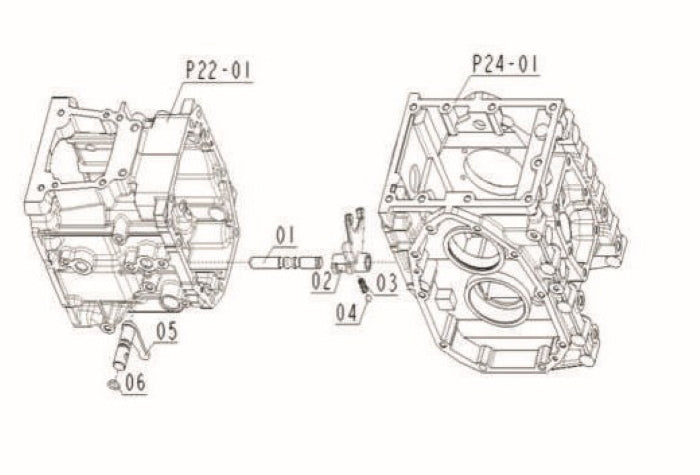
Range Gear Shift Fork