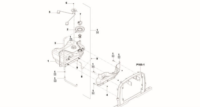
Fuel Tank