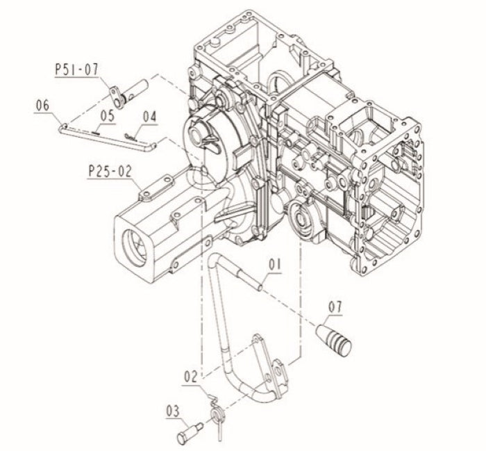
Differential Lock Lever -HST 3026H Only