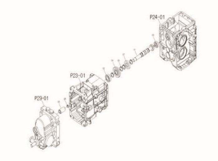
4th Shaft -HST 3026H Only