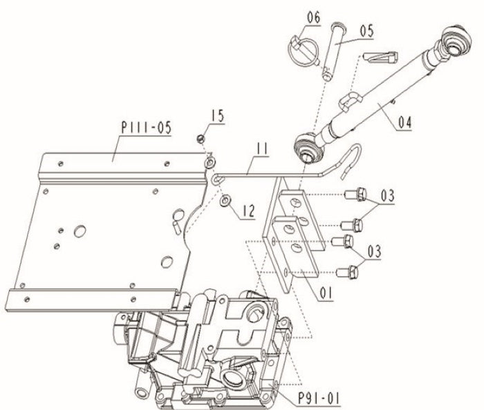
3-Point Linkage (Top Link)