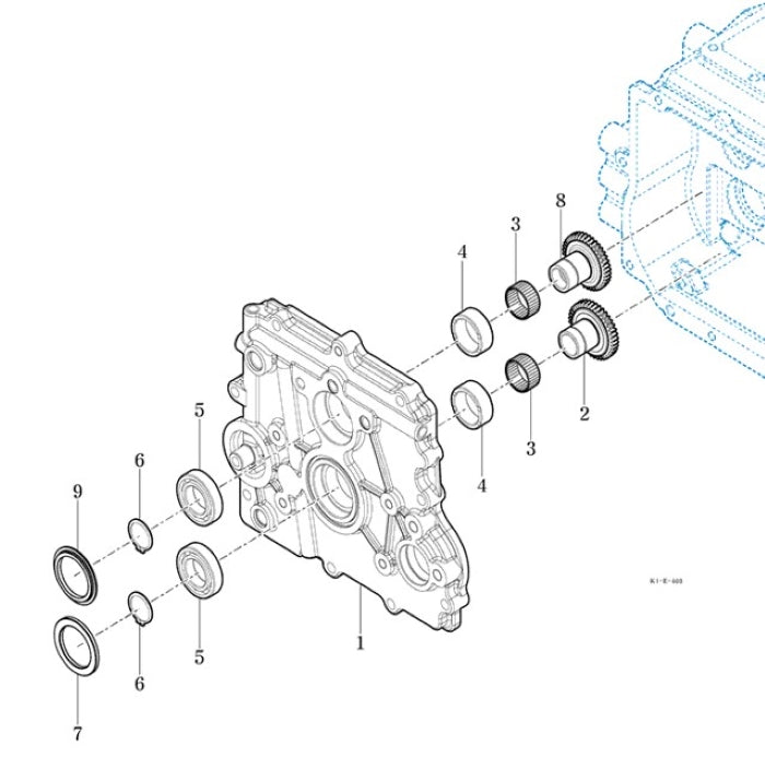
Input Gear