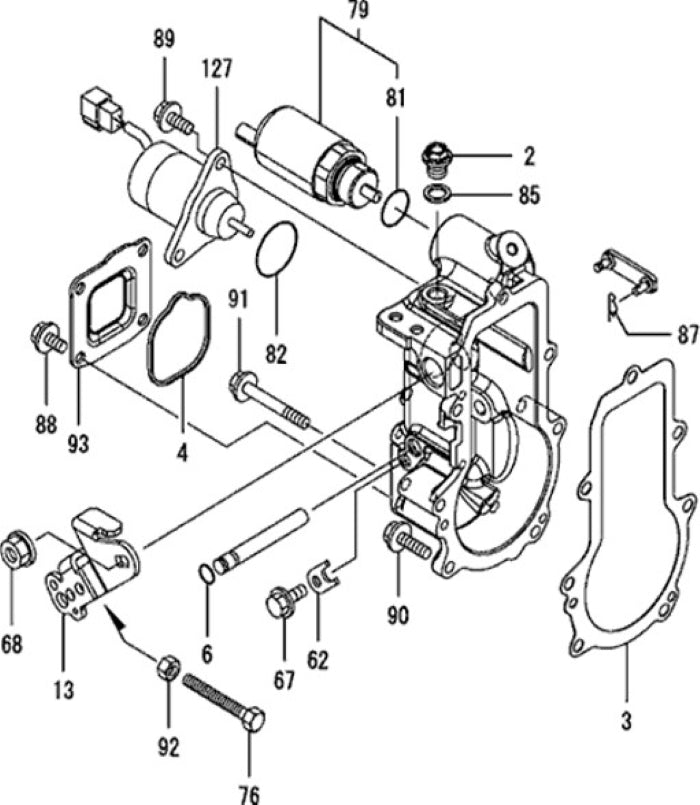
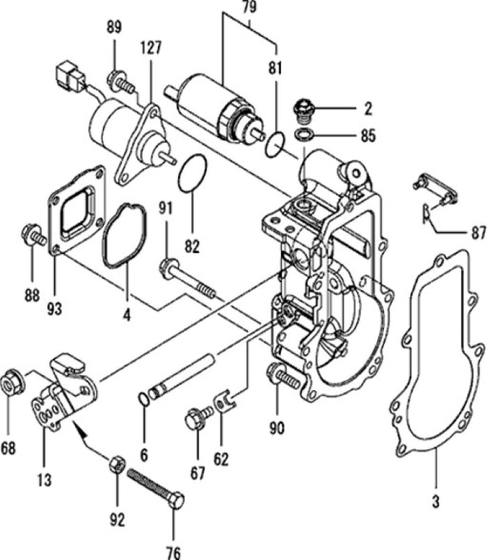
Governor

Parts Index
- 6 O-RING, S6 (Qty 1)
- 62 STOPPER, SHAFT (Qty 1)
- 67 Bolt, Hexa (6-10) (Qty 1)
- 68 Nut, Hexa (F8) for BB2024H/BB3026H (Qty 1)
- 85 WASHER, SEAL 10 (Qty 1)
- 87 PIN, SNAP 4 (Qty 1)
- 88 Bolt, Hexa (6-10) (Qty 4)
- 89 BOLT (Qty 2)
- 90 HEX FLANGE BOLT (Qty 4)
- 91 HEX FLANGE BOLT (Qty 3)
- 93 COVER, GOVERNOR CASE (Qty 1)
- 127 SUB TO 11923377932 SOLENOID STOP (Qty 1)