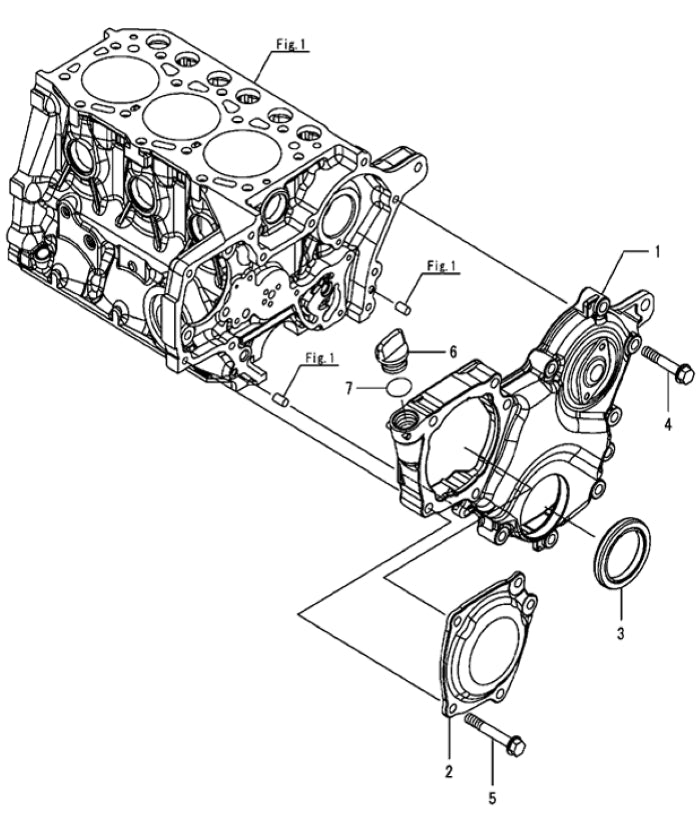
Gear Housing