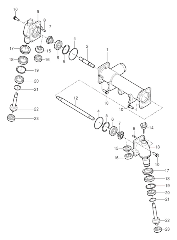
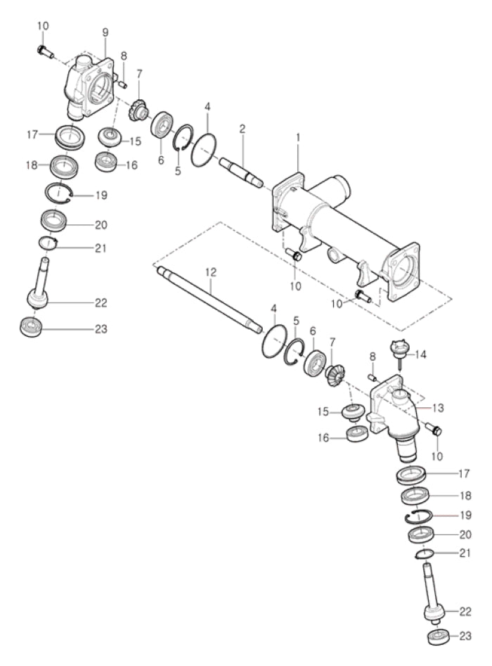
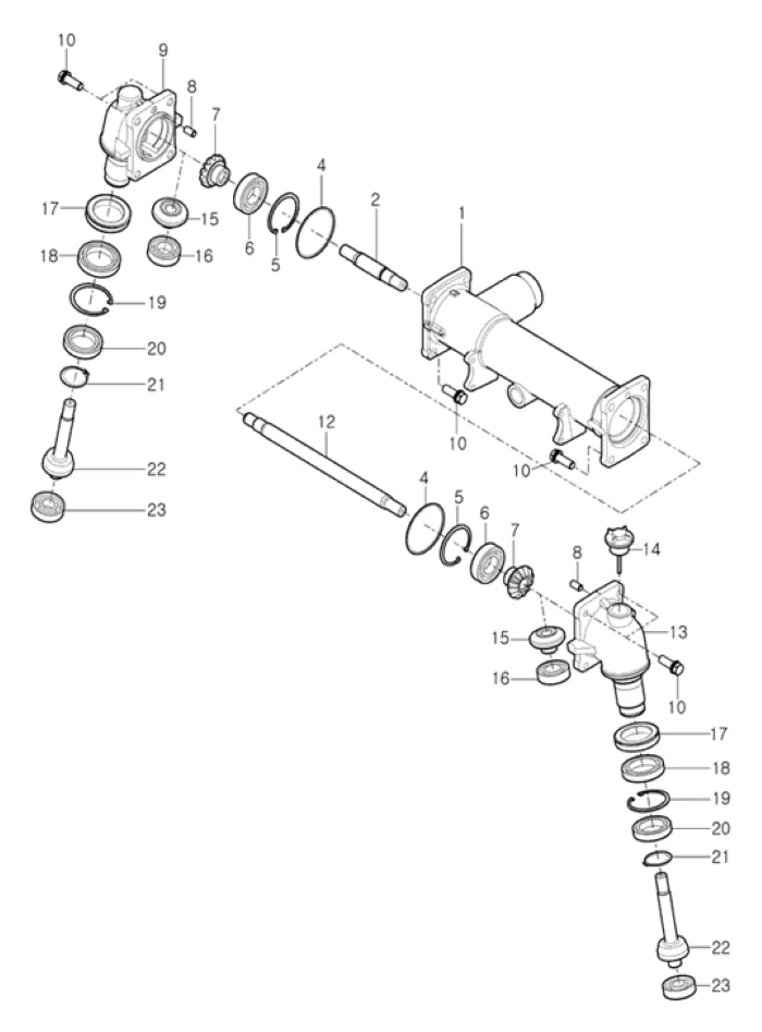
Front Gear Case

Parts Index
- 1 AXLE HOUSING , FRONT (Qty 1)
- 2 SHAFT , LH (Qty 1)
- 4 O-RING , G (Qty 2)
- 5 CIR CLIP, INTERNAL (Qty 2)
- 6 BEARING, BALL (Qty 2)
- 7 GEAR , BEVEL 13T (Qty 2)
- 8 PIN, STRAIGHT (A) (Qty 2)
- 9 CASE , RH FINAL DRIVE A (Qty 1)
- 10 BOLT(S) (Qty 8)
- 12 SHAFT , RH (Qty 1)
- 13 CASE , LH FINAL DRIVE A (Qty 1)
- 15 GEAR , BEVEL 14T (Qty 2)
- 16 BEARING, BALL (Qty 2)
- 17 SEAL , OIL (Qty 2)
- 18 BEARING, BALL (Qty 2)
- 19 CIR CLIP, INTERNAL (Qty 2)
- 20 Bearing Ball (Qty 2)
- 21 CIR CLIP,EXTERNAL (Qty 2)
- 22 GEAR , BEVEL 9T (Qty 2)
- 23 BEARING , BALL (Qty 2)