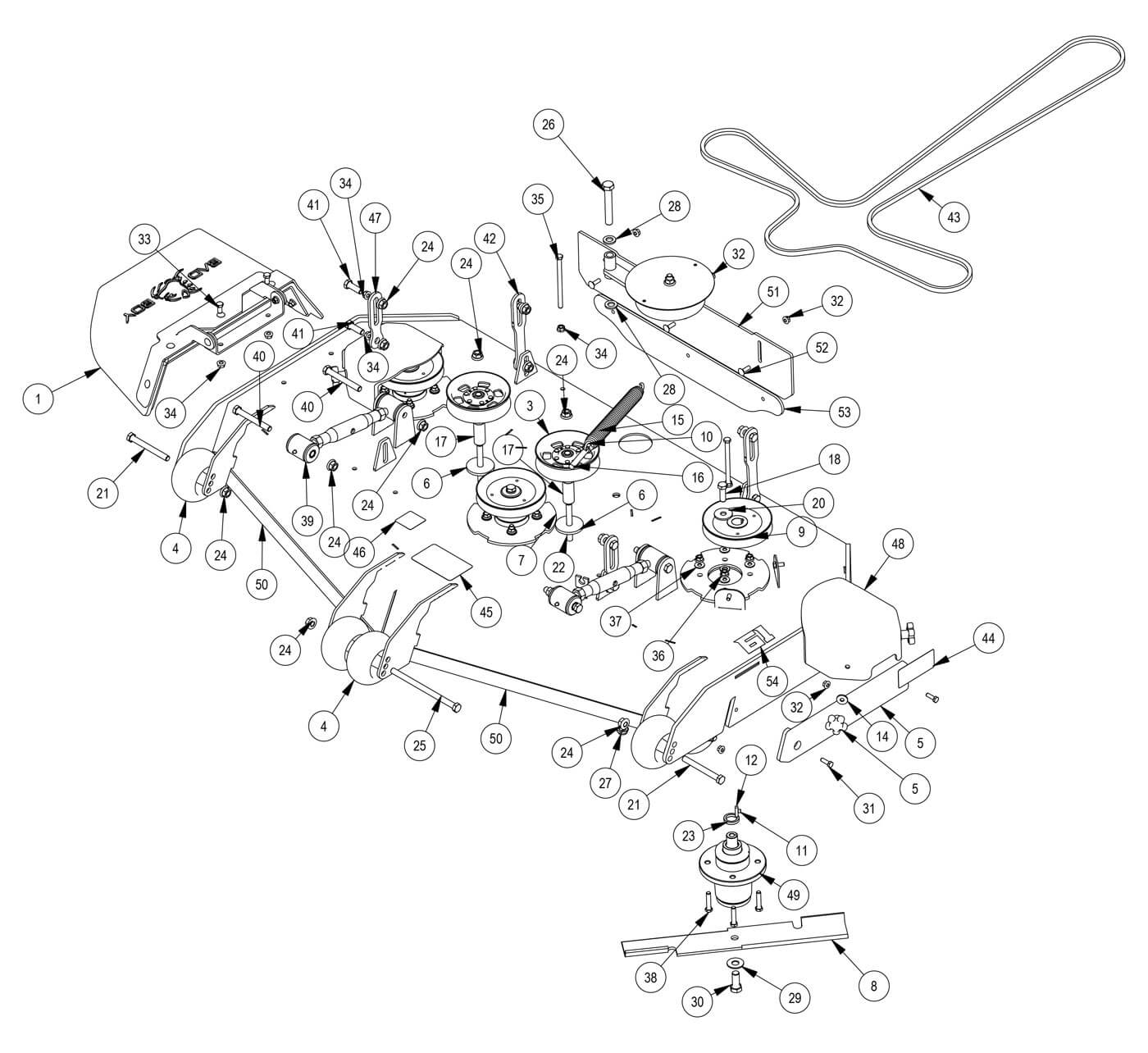
61" Deck

Parts Index
- 1 R-Series, Revolt Chute Assembly (Qty 1)
- 2 Idler Assembly (61" Deck) (Qty 1)
- 3 5 3/4 Idler Pulley-Capitol (Qty 2)
- 4 Deck Wheel (Qty 6)
- 5 Bumper (Deck) (Qty 1)
- 6 ZT/CZT Deck Round Spacer Idler--Plated (Qty 2)
- 7 Deck Spindle Support Plate 60"--Orange (Qty 3)
- 8 61" High Lift Blade (Qty 3)
- 9 6 1/4 Spindle Deck Pulley (Qty 3)
- 10 Deck Spring 2019 Models (Qty 1)
- 11 5/16-24 x 1/4 Set Screw (Qty 3)
- 12 1/4 x 1 Square Key (Qty 3)
- 13 5/16 Black Plastic Knob (Qty 4)
- 14 .360 ID Black Plastic Washer (Qty 4)
- 15 1/2-13 Hex Nuts Zinc (Qty 2)
- 16 All Thread (Qty 1)
- 17 2019 Stand On Stationary Idler Spacer (Qty 2)
- 18 1/2-20 X 1-1/2 GR 5 Bolts Zinc (Qty 3)
- 19 1/2 Lockwasher Zinc (Qty 3)
- 20 1/2 Belleville Washer #K2000-G (Qty 3)
- 21 1/2-13 X 4-1/2 GR 5 Hex Bolts (Qty 4)
- 22 1/2 -13 x 4.25 gr. 5 hex bolt (Qty 2)
- 23 Spacer ( Front Fork and Suspension ) (Qty 3)
- 24 1/2-13 Nylon Insert Flange Nut (Qty 19)
- 25 1/2-13 x 8" Grade 5 Hex Bolt (Qty 1)
- 26 5/8-11 X 4 GR 8 Hex Bolts Zinc (Qty 1)
- 27 5/8-11 Nylon Insert Jam Locknu (Qty 1)
- 28 .630 ID X 1.122 OD X .142 THK (Qty 2)
- 29 5/8 Flat Washer (Qty 3)
- 30 5/8-18 X 1-1/2 GR 8 Hex Bolts (Qty 3)
- 31 5/16-18 X 1 GR 5 Hex Bolt Zinc (Qty 2)
- 32 5/16-18 Nylon Flange Nut (Qty 5)
- 33 3/8-16 X 3/4 GR 5 Hex Bolts (Qty 2)
- 34 3/8-16 Hex Flange Nuts Zinc w/ (Qty 12)
- 35 3/8-16 x 5 1/2 Hex Bolt - Grade 5 (Qty 2)
- 36 3/8 Nylock Flange Nut (Qty 14)
- 37 5/16 USS Flat Washer Zinc (Qty 12)
- 38 3/8-16 x 1-3/4 Hex C/S (GR 5) ZC (Qty 12)
- 39 Toplink (Qty 2)
- 40 1/2-13 X 4 GR 8 Hex Bolt Yellow (Qty 4)
- 41 1/2-13 X 1-1/2 GR 5 Hex Bolt (Qty 8)
- 42 48"/54" Rear Deck Hanger--Black (Qty 2)
- 43 42" MZ Magnum/42"CZT Deck Belt (Qty 1)
- 44 Danger Decal-Spindle/Discharge (Qty 2)
- 45 61" Revolt Deck Belt Route Decal (Qty 1)
- 46 Rubber Bushing Turnbuckle Patent Decal (Qty 1)
- 47 61" Front Deck Hanger--Black (Qty 2)
- 48 2023 Revolt Pulley Covers (Qty 2)
- 49 Commercial Cast Iron Spindle (Qty 3)
- 50 2023 61" Revolt Deck--Orange (Qty 1)
- 51 2023 MZ Stripe Kit Rubber (Qty 1)
- 52 5/16-18 X 1 Carriage Bolt Zinc (Qty 3)
- 53 2023 4' & 5' Striping Kit Plate--Orange (Qty 1)
- 54 MY24 61" Deck Decal (Qty 1)