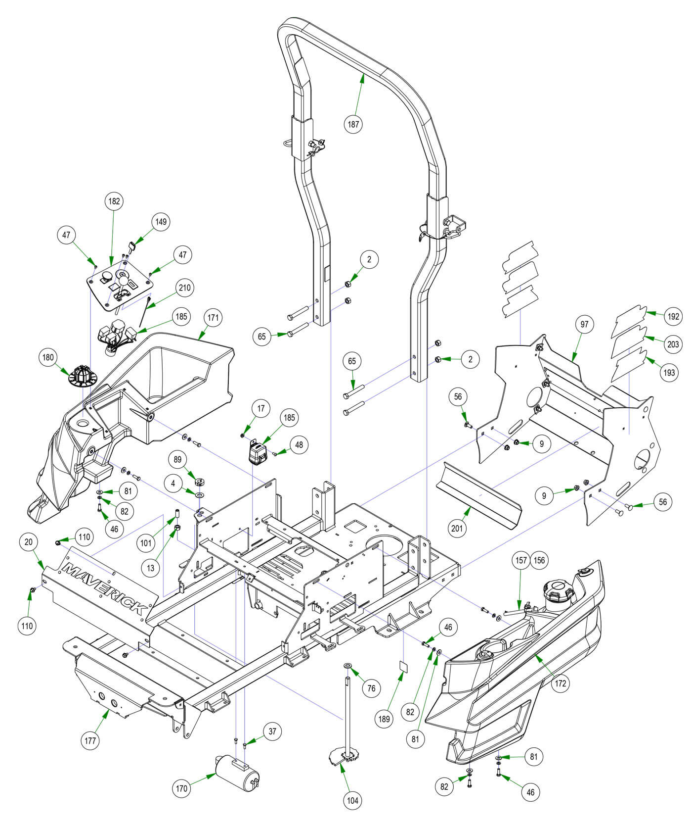
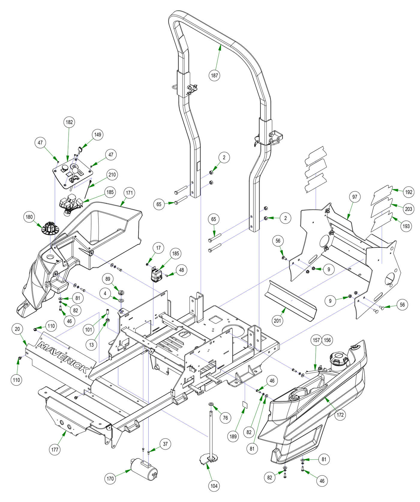
Fuel Tank & Rear Cover

Parts Index
- 2 1/2-13 hex 2-WAY REV CNT L/N (GR.B) ZC (Qty 4)
- 4 .630 ID x 1.130 OD x .062 THK F/W Nylon Black (Qty 1)
- 9 3/8 Nylock Flange Nut (Qty 4)
- 13 1/2-13 Hex Nuts Zinc (Qty 1)
- 17 1/4-20 Hex Flange Nuts Zinc w/ (Qty 1)
- 20 2021 Maverick Cooler Cover Assembly (Qty 1)
- 37 M6-1.0 X 16MM HEX BOLT CL 8 (Qty 2)
- 46 5/16-18 X 1 GR 5 Hex Bolt Zinc (Qty 7)
- 47 10-32 X 3/8 BS C/S 18-8 SS with Patch (Qty 4)
- 48 1/4-20 X 1/2 BS C/S 18-8 SS (Qty 1)
- 56 3/8 x 1 Carriage Bolt (Qty 4)
- 65 1/2-13 X 3-1/2 GR 5 Hex Bolts (Qty 4)
- 76 .630 ID X 1.122 OD X .142 THK (Qty 1)
- 81 5/16 USS Flat Washer Zinc (Qty 7)
- 82 5/16 Lock washer Zinc (Qty 7)
- 89 Split Collar (Qty 1)
- 97 2022 Maverick Rear Cover Assembly (Qty 1)
- 101 Deck Height Cam Plunger (Qty 1)
- 104 2017 ZT Deck Height Bar Assy. (Qty 1)
- 110 5/16-18 x ½” HWH unslot (F) tcs zinc (Qty 3)
- 149 Ignition Key (Qty 1)
- 170 ZT/Mav EPA Cannister Assy (Qty 1)
- 171 2021 Maverick Right Side Tank (Qty 1)
- 172 2021 Maverick Left Side Tank (Qty 1)
- 177 2023 Maverick Frame--Orange (Qty 1)
- 180 Deck Height Dial (Qty 1)
- 185 2019 MZ/ZT/Maverick/Compact Outlaw Wiring Harness (Qty 1)
- 187 Mav, HD 2x2 Folding ROPS (Qty 1)
- 189 Patent Decal (Qty 1)
- 192 2018 Maverick 726cc Back Plate Cluster (Qty 1)
- 193 2018 Maverick 747cc Back Plate Cluster (Qty 1)
- 201 Heat Shield (Fiberglass Adhesive) (Qty 1)
- 210 2017 MZ/ZT/MAV/HD/Revolt Tach Wire Assy (Qty 1)