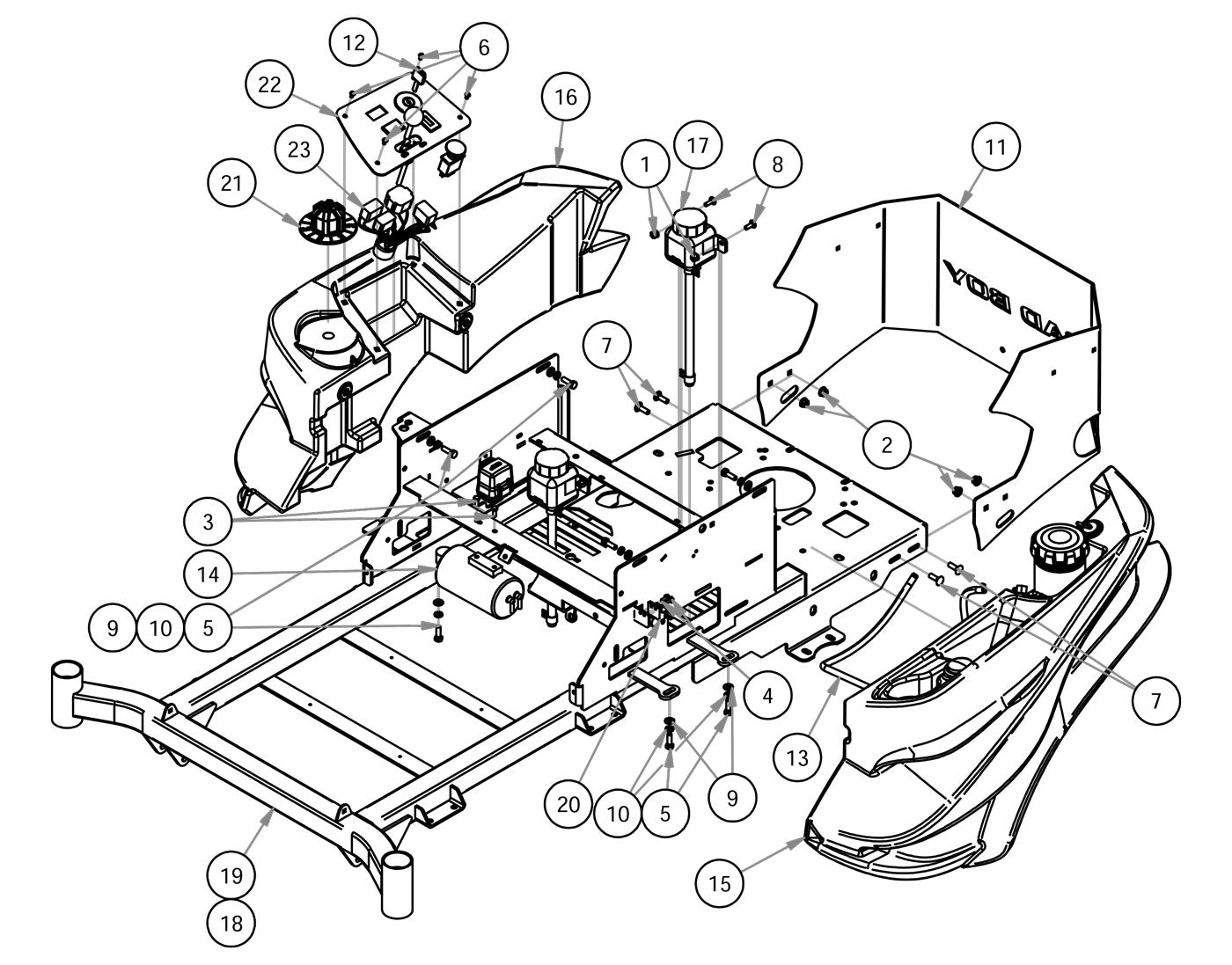
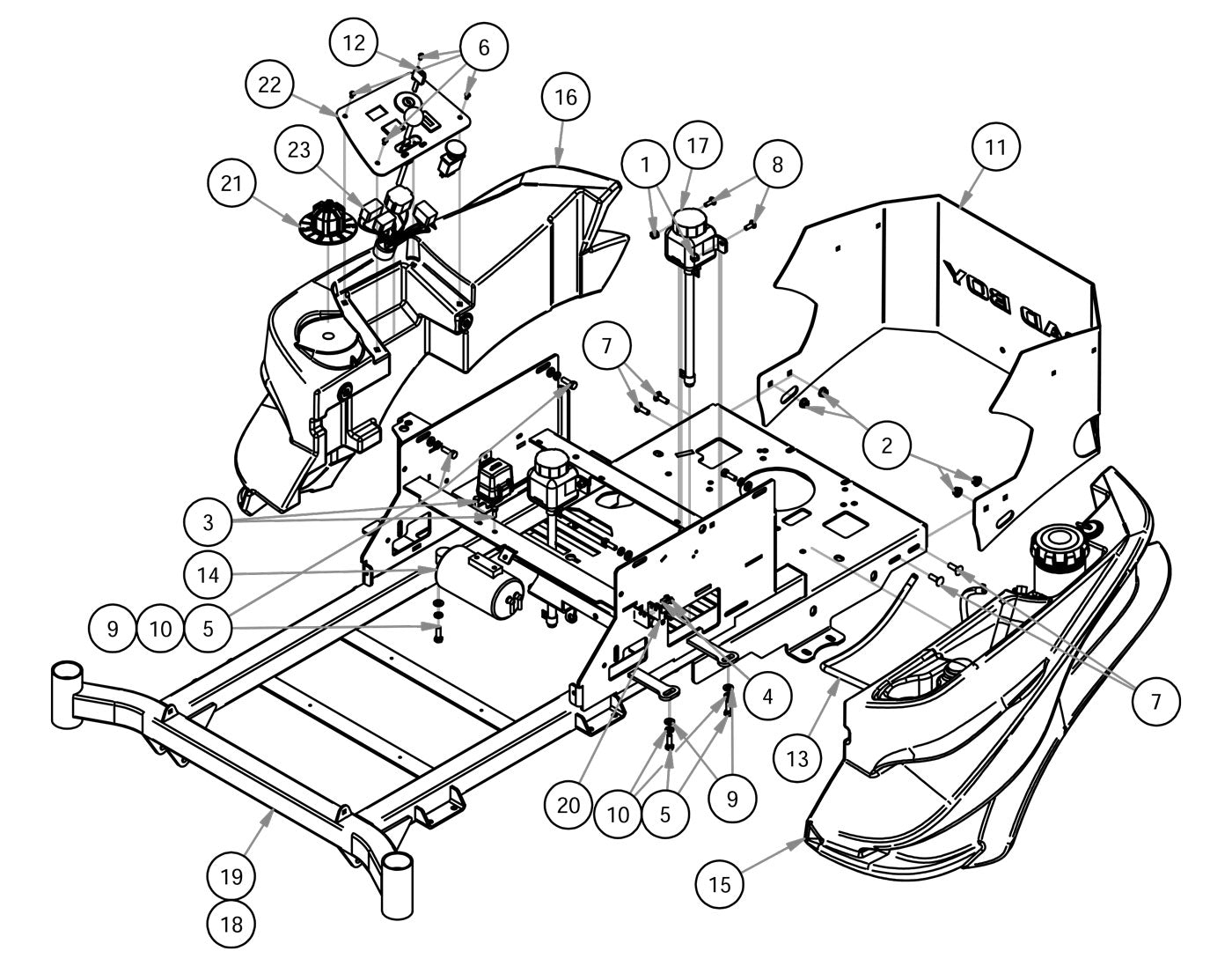
Tanks & Rear Cover

Parts Index
- 1 1/4-20 Nylon Insert Flange Nut (Qty 4)
- 2 5/16-18 Nylon Flange Nut (Qty 4)
- 3 M6-1.0 X 16MM HEX BOLT CL 8 (Qty 2)
- 4 12-24 x 1/2 HWH Bolt (Qty 4)
- 5 5/16-18 X 1 GR 5 Hex Bolt Zinc (Qty 7)
- 6 10-32 X 3/8 BS C/S 18-8 SS with Patch (Qty 4)
- 7 5/16-18 X 1 Carriage Bolt Zinc (Qty 4)
- 8 1/4 x 3/4 Carriage Bolt (Qty 4)
- 9 5/16 USS Flat Washer Zinc (Qty 7)
- 10 5/16 Lock washer Zinc (Qty 7)
- 11 2017 ZT Rear Plate--Orange (Qty 1)
- 12 Ignition Key (Qty 1)
- 13 2014 ZT Fuel Line Assembly-37" (Qty 1)
- 14 ZT/Mav EPA Cannister Assy (Qty 1)
- 15 2016 Maverick/ZT/Avenger Left Fuel Tank (Qty 1)
- 16 2016 Maverick/ZT/Avenger Right Side Console (Qty 1)
- 17 2017 ZT Hydro Tank Assembly (Qty 2)
- 18 2017 MZ/ZT 54"-60" Frame (Qty 1)
- 19 2017 MZ/ZT 42"-48" Frame (Qty 1)
- 20 Safety Switch (Qty 2)
- 21 Deck Height Dial (Qty 1)
- 22 2017 Magnum Control Panel Assembly (Qty 1)
- 23 2019 MZ/ZT/Maverick/Compact Outlaw Wiring Harness (Qty 1)
- 131 Push Rod LH (Assembly) (Qty 1)
- 132 2015 Deck Idler Spring (Qty 1)
- 133 All Thread (Qty 1)