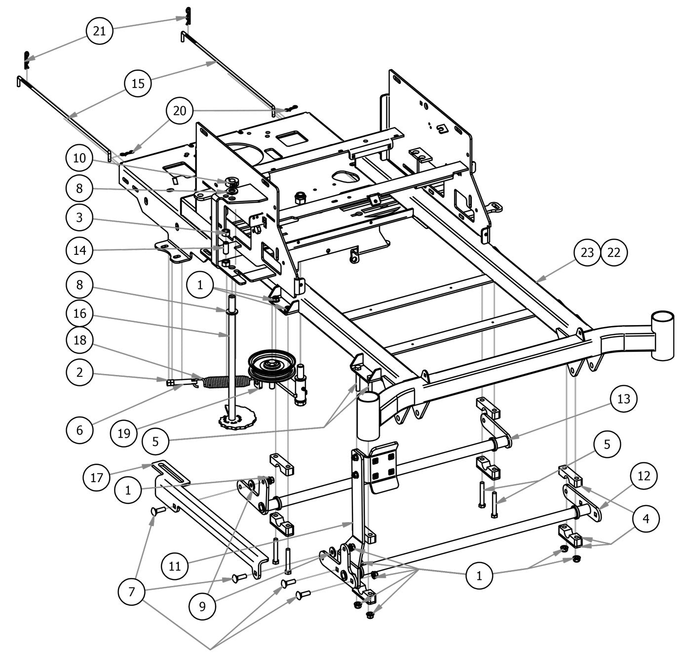
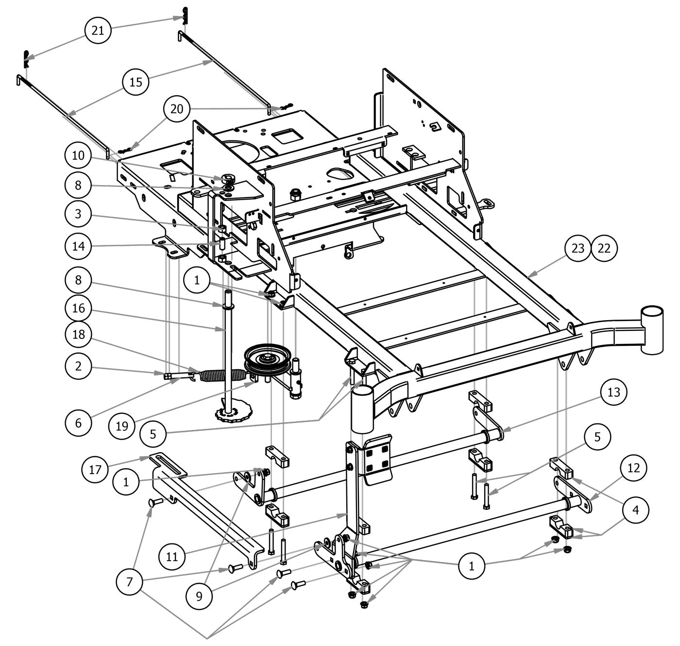
Deck Height Control

Parts Index
- 1 3/8 Nylock Flange Nut (Qty 12)
- 2 Bearing (Caster) All Models (Qty 2)
- 3 1/2-13 Hex Nuts Zinc (Qty 1)
- 5 3/8x2 1/2" Hex Bolt (Qty 8)
- 6 All Thread (Qty 1)
- 7 3/8-16 X 1-1/4 Carriage Bolt (Qty 4)
- 8 .630 ID X 1.122 OD X .142 THK (Qty 2)
- 9 .360 ID Plastic Washer (Qty 2)
- 10 Split Collar (Qty 1)
- 11 2017 MZ Foot Pedal Assembly (Qty 1)
- 12 Actuator Bar (Front) (Qty 1)
- 13 Actuator Bar (Rear) (Qty 1)
- 14 Deck Height Cam Plunger (Qty 1)
- 15 Neutral Rod (Qty 2)
- 16 2017 ZT Deck Height Bar Assy. (Qty 1)
- 17 2017 MZ/ZT Actuator Linkage--Orange (Qty 1)
- 18 2015 Deck Idler Spring (Qty 1)
- 19 Pump Idler Bracket Assembly-ZT, MZ, Aven, Raider (Qty 1)
- 20 Bow Pin (Qty 2)
- 21 Neutral Rod Clip (Qty 2)
- 22 2017 MZ/ZT 54"-60" Frame (Qty 1)
- 23 2017 MZ/ZT 42"-48" Frame (Qty 1)