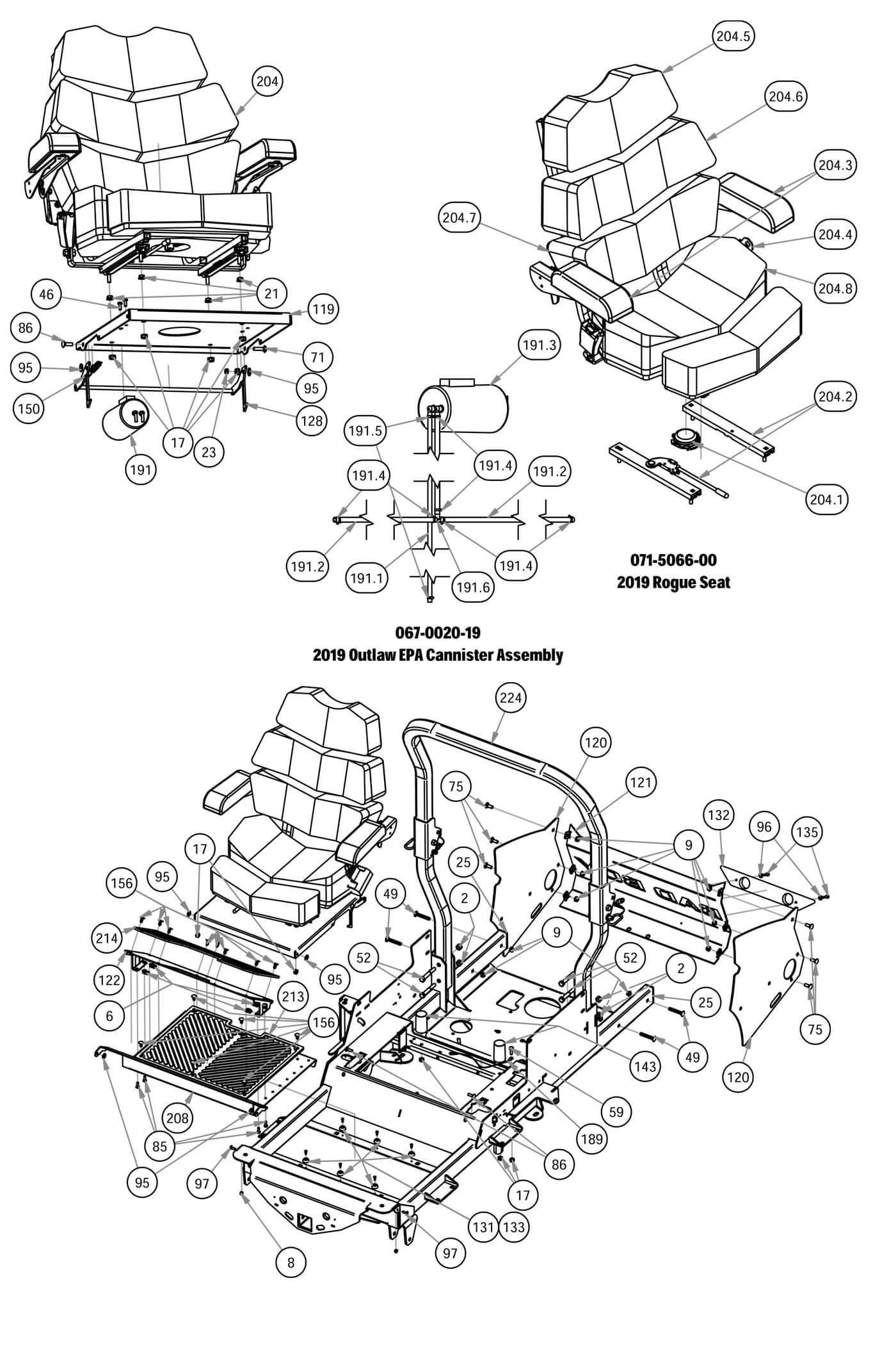
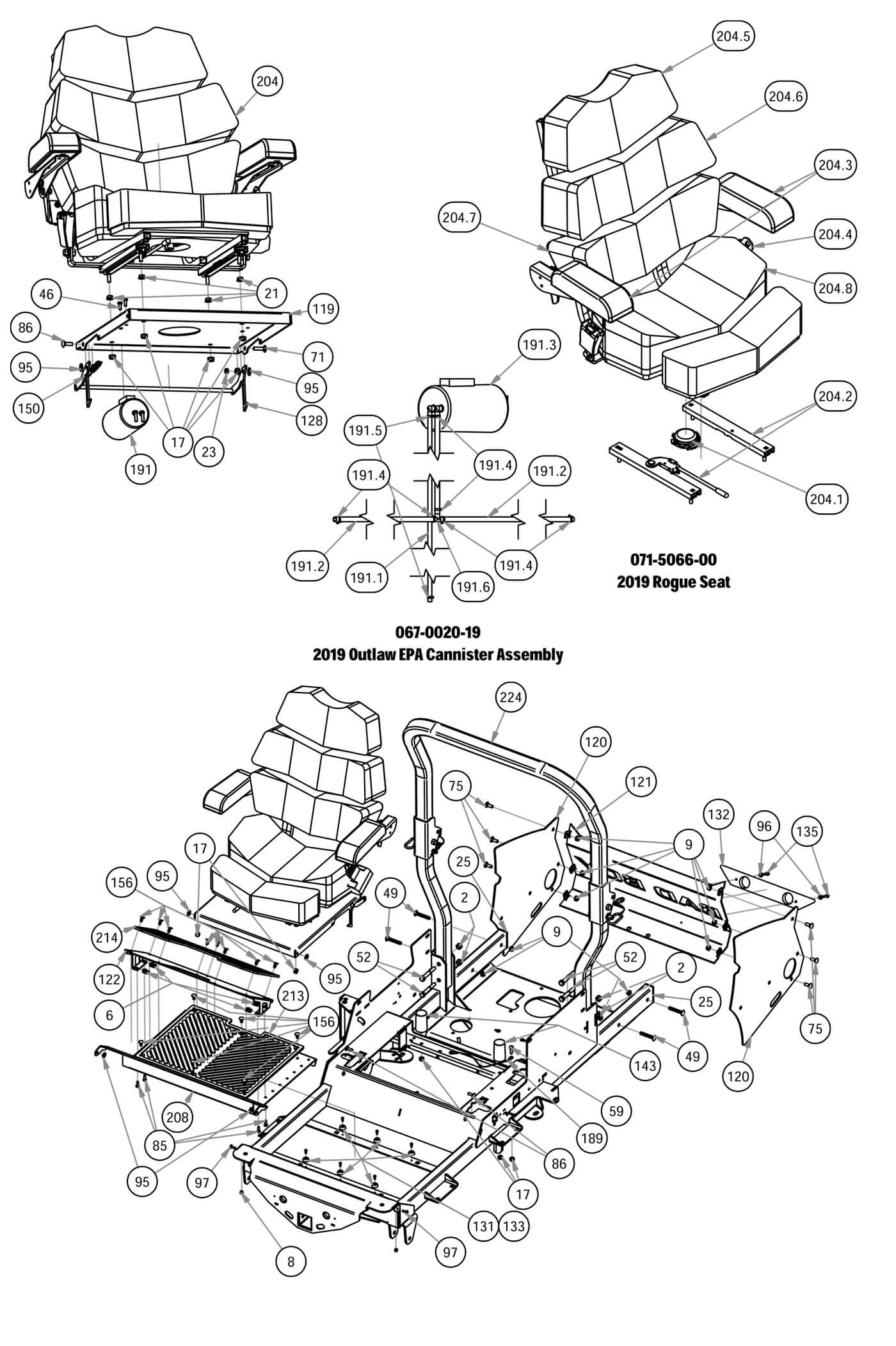
Seat Assembly & EPA Cannister

Parts Index
- 2 1/2-13 hex 2-WAY REV CNT L/N (GR.B) ZC (Qty 4)
- 6 1/4-20 Cage Nut (Qty 4)
- 8 1/4-20 Nylon Insert Flange Nut (Qty 2)
- 9 3/8 Nylock Flange Nut (Qty 10)
- 17 5/16-18 Nylon Flange Nut (Qty 11)
- 21 5/16-18 Hex Flange Nuts Zinc w (Qty 4)
- 23 5/16-18 Nylock Jam Nut (Qty 1)
- 25 1 1/2x 3 Frame Plug (Qty 2)
- 46 M6-1.0 X 16MM HEX BOLT CL 8 (Qty 2)
- 49 3/8 x 2 1/2 Carriage Bolt (Qty 4)
- 52 1/2-13 X 3.25 Hex Bolt-Grade 5 (Qty 4)
- 59 5/16-18 X 1 GR 5 Hex Bolt Zinc (Qty 1)
- 71 5/16-18 X 1-1/4 Carriage Bolt (Qty 1)
- 75 3/8 x 1 Carriage Bolt (Qty 6)
- 85 1/4-20 X 3/4 GR 5 Hex Bolts (Qty 4)
- 86 5/16-18 X 1 Carriage Bolt Zinc (Qty 3)
- 95 .360 ID Plastic Washer (Qty 6)
- 96 1/4 USS Flat Washer Zinc (Qty 2)
- 97 1/4 x 3/4 Carriage Bolt (Qty 2)
- 119 Seat Plate--Orange (Qty 1)
- 120 2019 Vertical Suspension Rear Cover Side--Orange (Qty 2)
- 121 2019 Vertical Rear Cover Tailgate-Orange (Qty 1)
- 122 Adjustable Foot Plate--Orange (Qty 1)
- 128 Seat Latch Rod (Qty 1)
- 131 Button Bumper (Qty 6)
- 132 Bumper (Qty 1)
- 133 10 X 1/2 Pan Phil a T/S Zinc (Qty 6)
- 135 1/4 x 1 Hex Head Tek Screw (Qty 2)
- 143 Bumper (Seat) (Qty 2)
- 150 Brake Spring (Qty 1)
- 156 Ratchet Fastener - Floorboard (Qty 14)
- 189 Seat Cable (Qty 1)
- 191 Carbon Canister ZT,CZT,Outlaw (Qty 1)
- 203 OBSOLETE USE 070-5375-00 (Qty 1)
- 204 2019 Rogue Seat (Qty 1)
- 208 2019 Outlaw Floorboard--Orange (Qty 1)
- 213 Mat (Floor) (Qty 1)
- 214 Mat (Foot Plate) (Qty 1)
- 224 2019 2x2 R SERIES Folding Rops (Qty 1)
- 191.1 66" 3/16 Vinyl EPA Line (Qty 1)
- 191.2 38" 1/4 Vinyl Tubing (Qty 3)
- 191.3 Carbon Canister ZT,CZT,Outlaw (Qty 1)
- 191.4 MZ Tank Hose Clamp 1/4 Vinyl (Qty 6)
- 191.5 3/16" Vinyl Hose Clamp (Qty 2)
- 191.6 Fuel Line T (Qty 1)
- 204.1 OBSOLETE USE 071-8061-00 (Qty 1)
- 204.2 Seat Rails for Outlaw Seat/2020 ZT Elite/ZTAvenger (Qty 1)
- 204.3 Arm Rest Kit for 071-5066-00 (Qty 1)
- 204.4 Seat Belt for 071-5066-00 (Qty 1)
- 204.5 Back Pad # 1 for 071-5066-00 (Qty 1)
- 204.6 Back Pad # 2 for 071-5066-00 (Qty 1)
- 204.7 Back Pad # 3 for 071-5066-00 (Qty 1)
- 204.8 Seat Pad Assembly for 071-5066-00 (Qty 1)