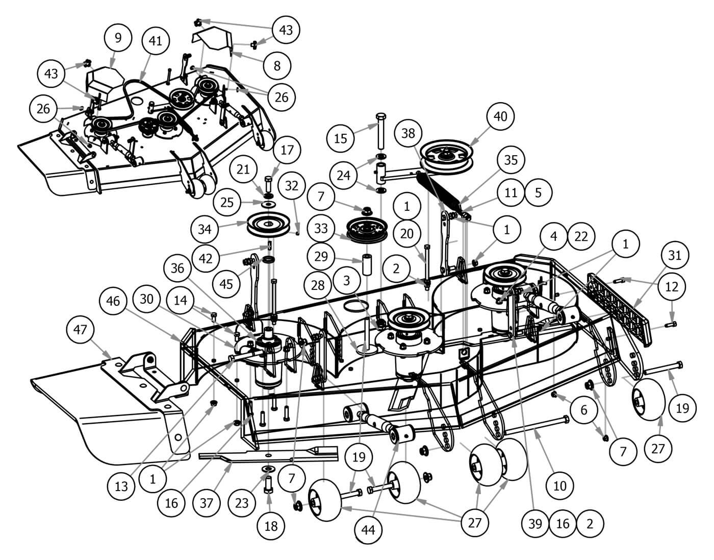
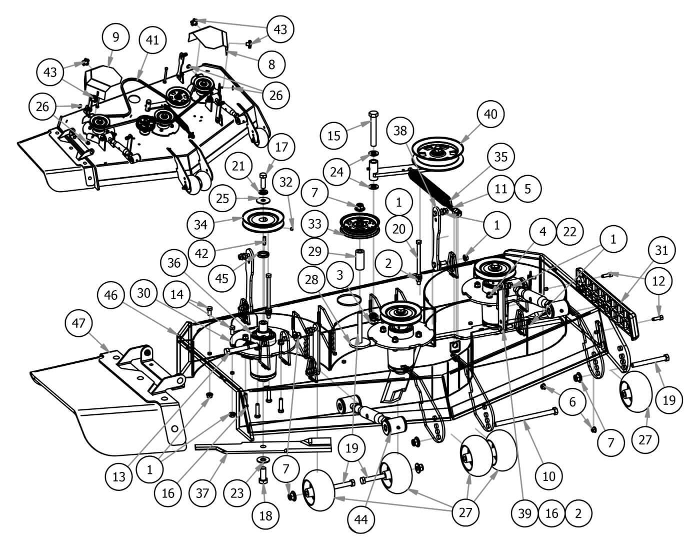
48" Deck Assembly

Parts Index
- 1 3/8-16 Hex Flange Nuts Zinc w/ (Qty 12)
- 2 3/8 Nylock Flange Nut (Qty 10)
- 3 5/8-11 Nylon Insert Jam Locknu (Qty 1)
- 4 3/8-16 Hex Nuts Zinc (Qty 12)
- 5 1/2-13 Hex Nuts Zinc (Qty 2)
- 6 5/16-18 Nylon Flange Nut (Qty 2)
- 7 1/2-13 Nylon Insert Flange Nut (Qty 7)
- 8 48" Trim Side Pulley Cover--Black (Qty 1)
- 9 48" Discharge Side Pulley Cover--Black (Qty 1)
- 10 1/2-13 x 8" Grade 5 Hex Bolt (Qty 1)
- 11 All Thread (Qty 1)
- 12 5/16-18 X 1 GR 5 Hex Bolt Zinc (Qty 2)
- 13 1/2-13 X 4 GR 8 Hex Bolt Yellow (Qty 2)
- 14 3/8-16 X 3/4 GR 5 Hex Bolts (Qty 2)
- 15 5/8-11 X 4 GR 8 Hex Bolts Zinc (Qty 1)
- 16 3/8 x 1 1/2 Bolt (Qty 20)
- 17 1/2-20 X 1-1/2 GR 5 Bolts Zinc (Qty 3)
- 18 5/8-18 X 1-1/2 GR 8 Hex Bolts (Qty 3)
- 19 1/2-13 X 4-1/2 GR 5 Hex Bolts (Qty 4)
- 20 3/8-16 x 5 1/2 Hex Bolt - Grade 5 (Qty 2)
- 21 1/2 Lockwasher Zinc (Qty 3)
- 22 3/8 Lockwasher Zinc (Qty 12)
- 23 5/8 Flat Washer (Qty 3)
- 24 .630 ID X 1.122 OD X .142 THK (Qty 2)
- 25 1/2 Belleville Washer #K2000-G (Qty 3)
- 26 .360 ID Black Plastic Washer (Qty 4)
- 27 Deck Wheel (Qty 5)
- 28 ZT/CZT Deck Round Spacer Idler--Plated (Qty 1)
- 29 2019 Stand On Stationary Idler Spacer (Qty 1)
- 30 Deck Spindle Support Plate 60"--Orange (Qty 3)
- 31 Bumper (Deck) (Qty 1)
- 32 5/16-24 x 1/4 Set Screw (Qty 3)
- 33 4 3/4 Idler Pulley - ABFI-76 (Qty 1)
- 34 5" Spindle Deck Pulley - DB-80 (Qty 3)
- 35 Deck Spring 2019 Models (Qty 1)
- 36 Spindle-Aluminum (Qty 3)
- 37 48" ZT/Mav/Compact Outlaw Blade (Qty 3)
- 38 2019 Stand On Deck Hanger Rear--Black (Qty 2)
- 39 2019 Stand On Deck Hanger Front--Black (Qty 2)
- 40 2019 Revolt Deck Idler (Qty 1)
- 41 36 ZT/ 2019 48" Walk Behind/ 48" Revolt Deck Belt (Qty 1)
- 42 1/4 x 1 Square Key (Qty 3)
- 43 5/16 Black Plastic Knob (Qty 4)
- 44 Toplink (Qty 2)
- 45 Spacer ( Front Fork and Suspension ) (Qty 3)
- 47 R-Series, Revolt Chute Assembly (Qty 1)