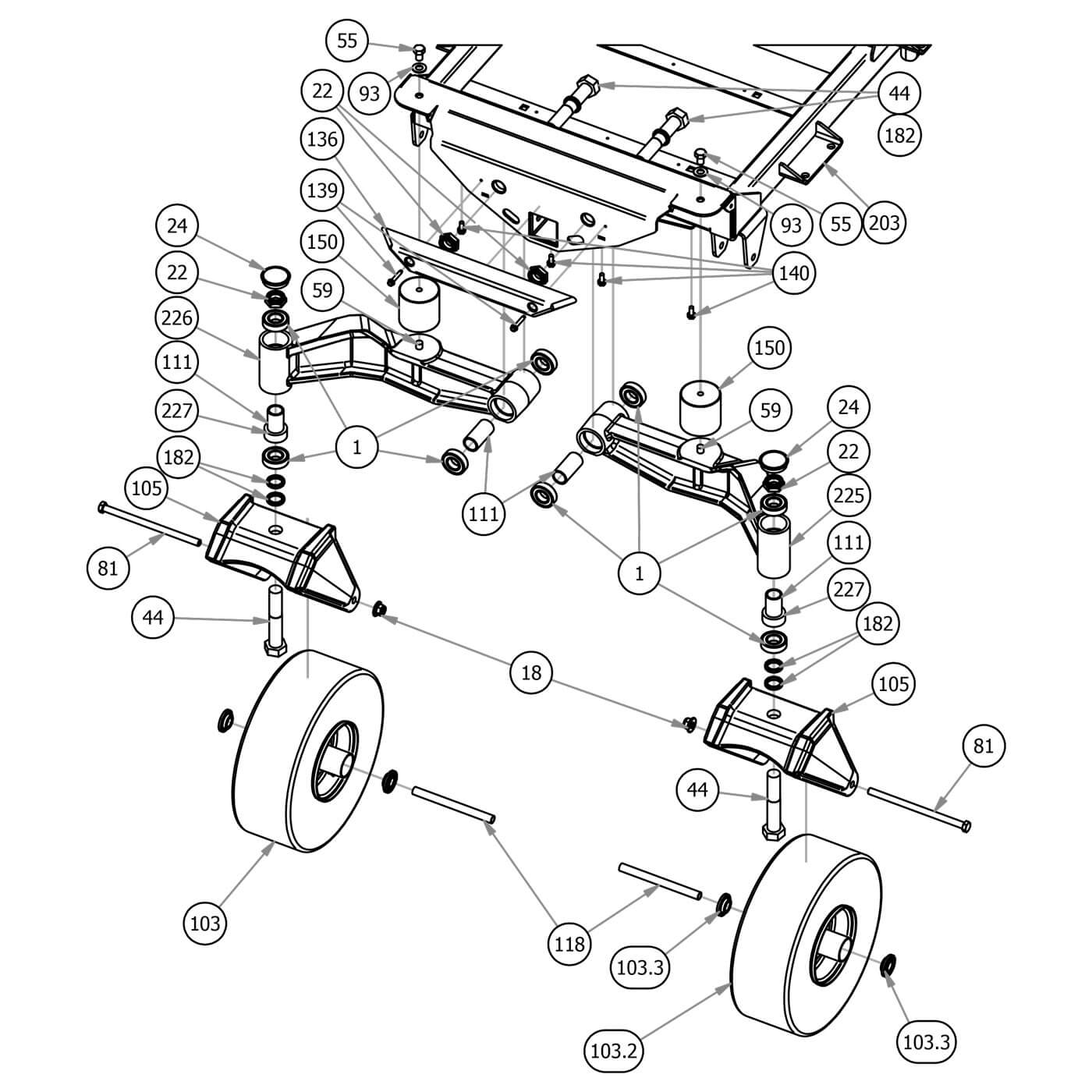
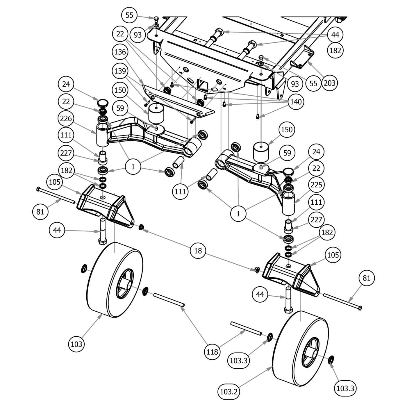
Front End

Parts Index
- 1 Caster Bearing (Qty 8)
- 18 1/2-13 Nylon Insert Flange Nut (Qty 2)
- 22 1" Nylock Nut 1/2 Nut - Fine (Qty 4)
- 24 Bearing Retainer Cap (Qty 2)
- 44 1-14 X 5 1/2 BOLT GR 8 ZC YELLOW (Qty 4)
- 55 1/2-13 x 3/4 Bolt with Patch (GR 5) Zinc (Qty 2)
- 59 1/2-13 x 1" Stud (Qty 2)
- 81 1/2-13 X 9 GR 5 Hex Bolts Zinc (Qty 2)
- 93 1/2 SAE Flat Washer GR 8 (Qty 2)
- 103 2019 15x6.00-6 No Flat Black Front Tire (Qty 2)
- 103.2 15x6-6 Tire Only (Qty 1)
- 103.3 1 3/4" Bearing-Large Bore (Qty 1)
- 105 2019 Rogue, Renegade Front Fork (Qty 2)
- 111 MZ/ZT/Mav/ R Series Front Bearing Spacer (Qty 4)
- 118 Front Wheel Spanner-All Models (Qty 2)
- 136 Bumper (Qty 1)
- 139 14 X 1-1/2 HWA A T/S Zinc (Qty 2)
- 140 5/16 x 3/4 Hex Washer Type F (Qty 4)
- 150 Isolator (Blue Dot) (Qty 2)
- 182 Spacer ( Front Fork and Suspension ) (Qty 6)
- 203 2019 Horizontal Gas Frame--Orange (Qty 1)
- 225 2019 Front I-Beam Left (Qty 1)
- 226 2019 Front I-Beam Right (Qty 1)
- 227 Rubber Stabilizer (Front Fork) (Qty 2)