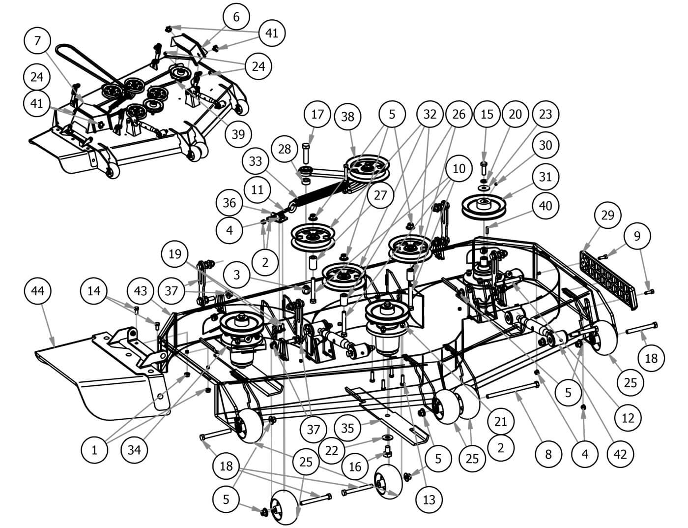
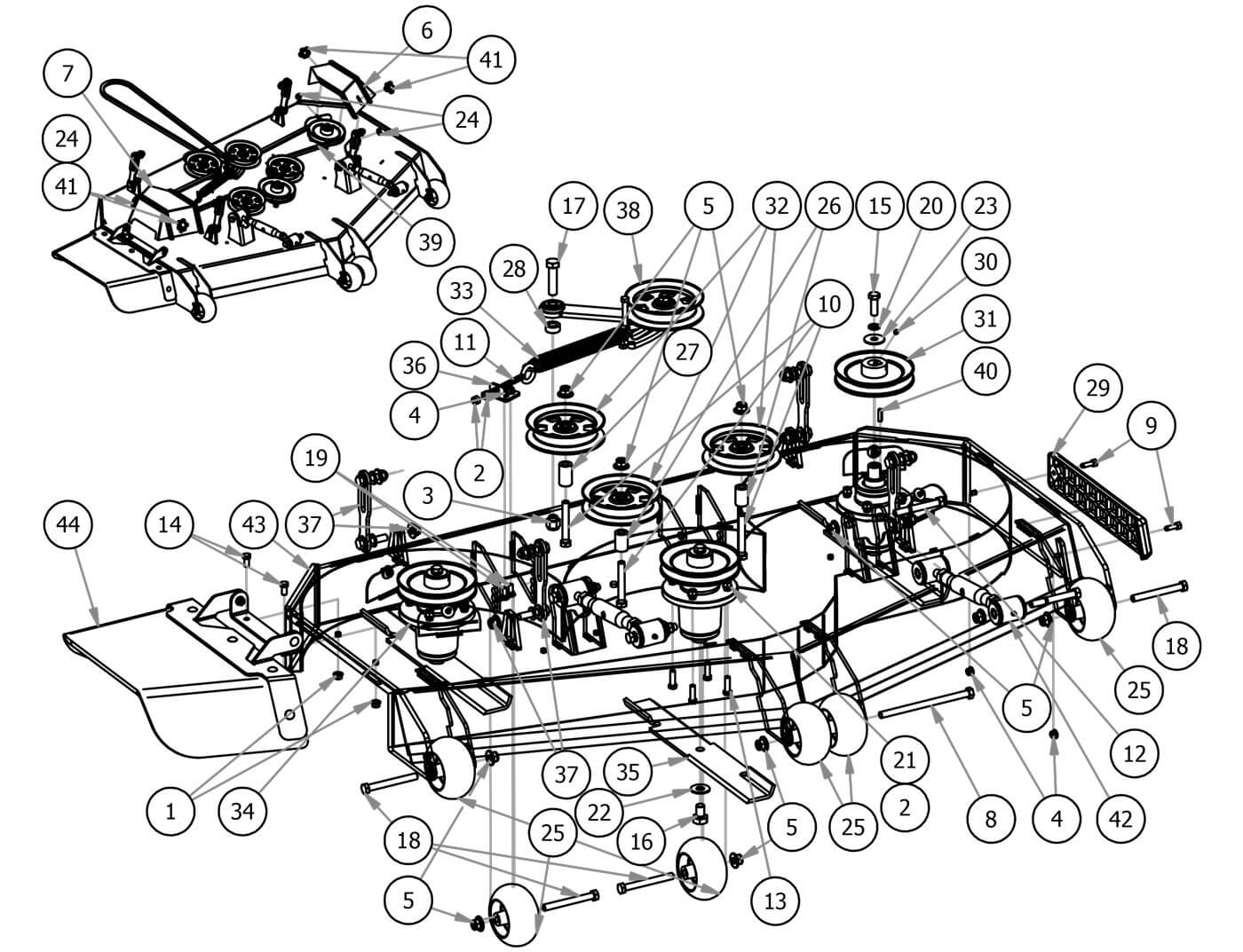
61" Deck

Parts Index
- 1 3/8-16 Hex Flange Nuts Zinc w/ (Qty 2)
- 2 3/8-16 Hex Nuts Zinc (Qty 14)
- 3 5/8-11 Nylon Insert Locknut Zi (Qty 1)
- 4 5/16-18 Nylon Flange Nut (Qty 4)
- 5 1/2-13 Nylon Insert Flange Nut (Qty 12)
- 6 Pulley Cover LH Rogue, Rebel, Renegade 61" (Qty 1)
- 7 Pulley Cover RH Rogue, Rebel, Renegade 61" (Qty 1)
- 8 1/2-13 x 8" Grade 5 Hex Bolt (Qty 1)
- 9 5/16-18 X 1 GR 5 Hex Bolt Zinc (Qty 2)
- 10 1/2 x 3 1/2 Flange Bolt - Gr 8 (Qty 3)
- 11 4" 3/8-16 Eye Bolt (Qty 1)
- 12 1/2-13 X 4 GR 8 Hex Bolt Yellow (Qty 4)
- 13 3/8-16 X 1-1/4 GR 5 Hex Bolt (Qty 12)
- 14 3/8-16 X 3/4 GR 5 Hex Bolts (Qty 2)
- 15 1/2-20 X 1-1/2 GR 5 Bolts Zinc (Qty 3)
- 16 5/8-18 X 1-1/2 GR 8 Hex Bolts (Qty 3)
- 17 5/8-11 X 2-1/2 GR 5 Hex Bolts (Qty 1)
- 18 1/2-13 X 4-1/2 GR 5 Hex Bolts (Qty 4)
- 19 5/16 x 7/8 Carriage Bolt (Qty 2)
- 20 1/2 Lockwasher Zinc (Qty 3)
- 21 3/8 Lockwasher Zinc (Qty 12)
- 22 5/8 Flat Washer (Qty 3)
- 23 1/2 Belleville Washer #K2000-G (Qty 13)
- 24 .360 ID Black Plastic Washer (Qty 4)
- 25 Deck Wheel (Qty 6)
- 26 .502 ID X 1.000 0D X 1.500 (Qty 2)
- 27 .502 ID X 1.00 OD X 1.750 (Qty 1)
- 28 5/8 Set Collar W/One Set Screw (Qty 1)
- 29 Bumper (Deck) (Qty 1)
- 30 5/16-24 x 1/4 Set Screw (Qty 3)
- 31 6 1/4 Spindle Deck Pulley (Qty 3)
- 32 5 3/4 Idler Pulley-Capitol (Qty 3)
- 33 Deck Spring 2019 Models (Qty 1)
- 34 Commercial Cast Iron Spindle (Qty 3)
- 35 61" High Lift Blade (Qty 3)
- 36 2019 Deck Eye Bolt Tab--Plated (Qty 1)
- 37 Outlaw/Extreme/XP Deck Hanger Assy (Qty 4)
- 38 2019 Renegade Deck Idler (Qty 1)
- 39 61" Renegade Deck Belt (Qty 1)
- 40 1/4 x 1 Square Key (Qty 3)
- 41 5/16 Black Plastic Knob (Qty 4)
- 42 Toplink (Qty 2)
- 43 2019 61" Sloped Deck Weldment--Orange (Qty 1)
- 44 R-Series, Revolt Chute Assembly (Qty 1)