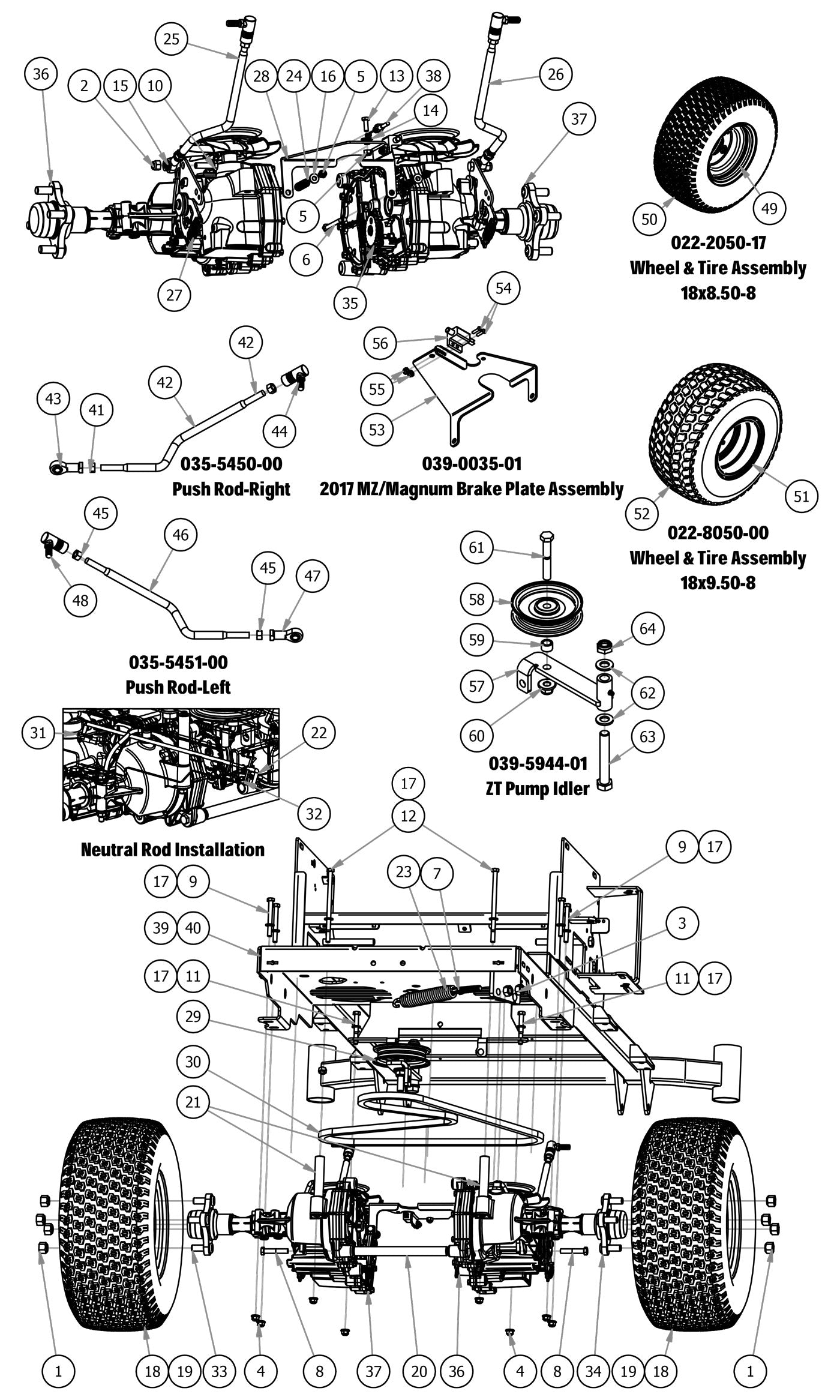
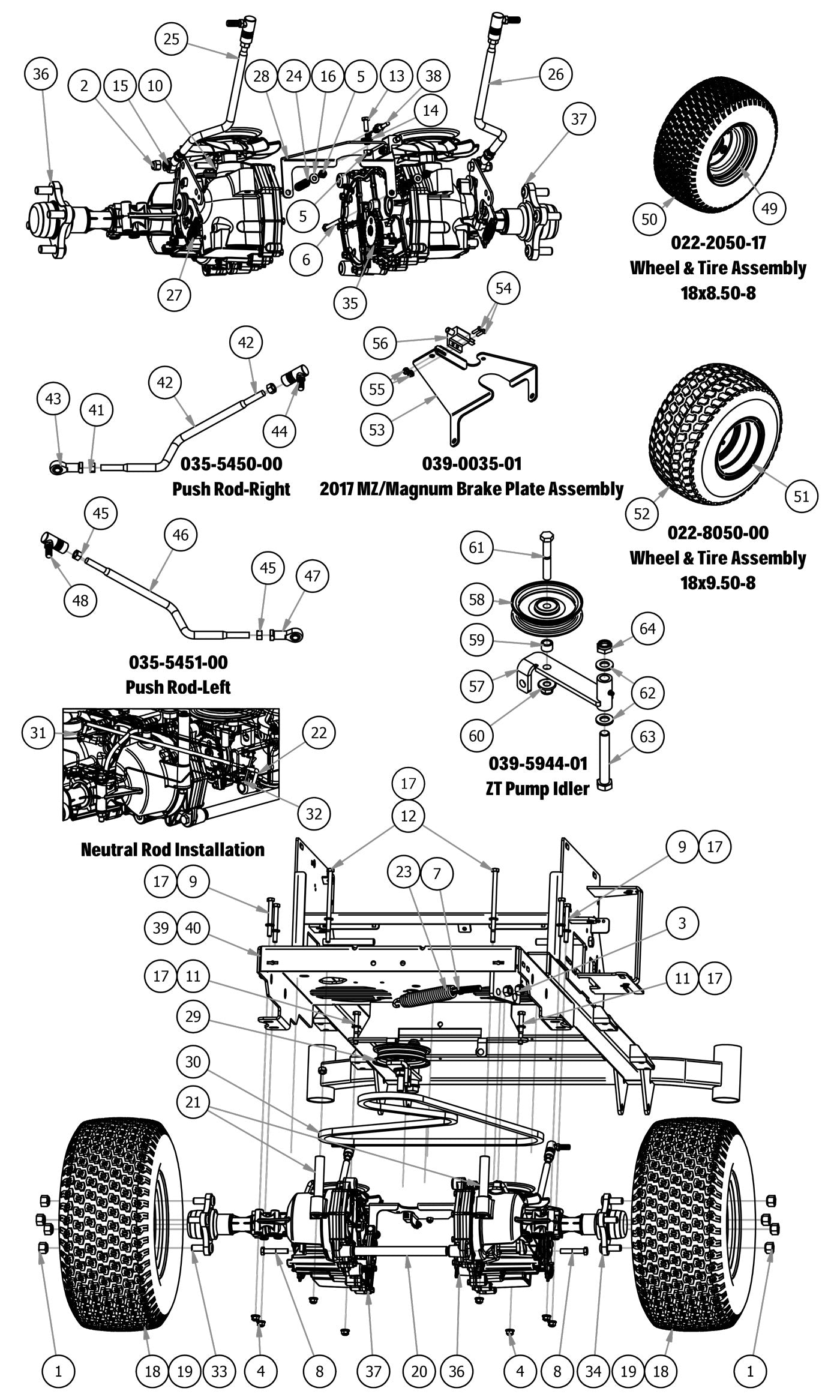
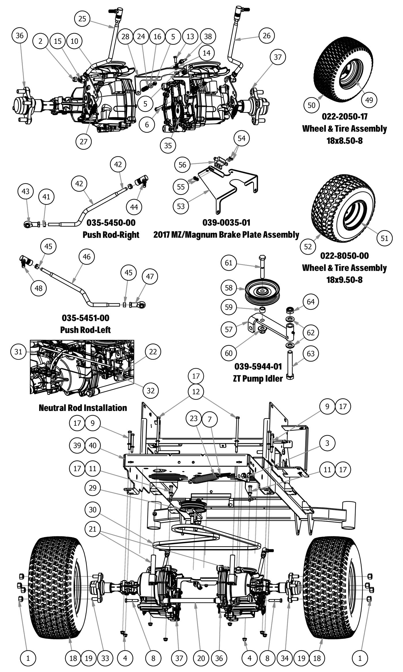
Transaxle & Rear Wheels

Transaxle & Rear Wheels

Parts Index