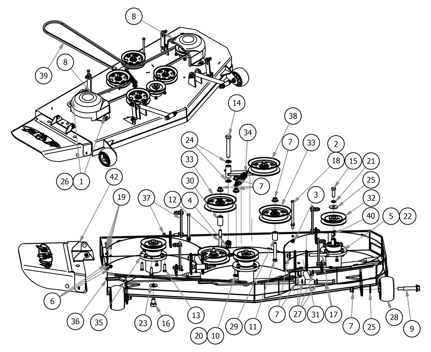
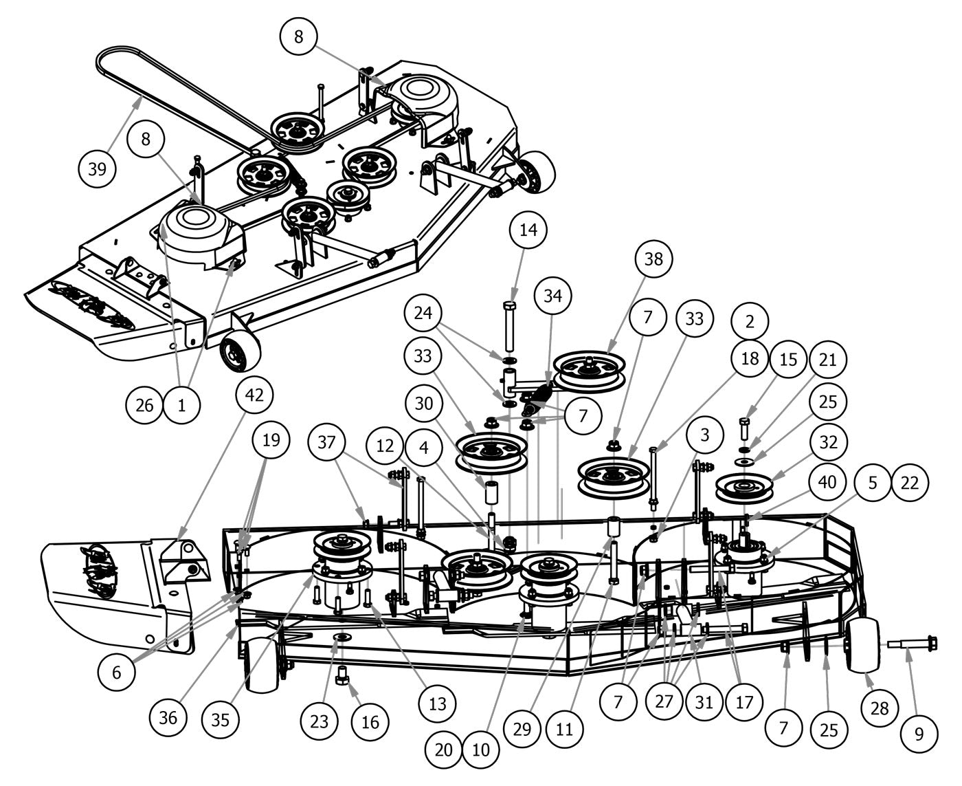
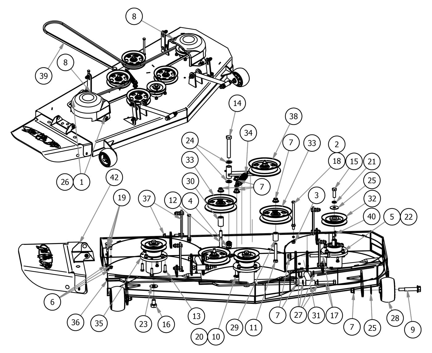
54" Deck Assembly
Parts Index
- 1 Acorn Nut-Pulley Cover (Qty 4)
- 2 3/8-16 Hex Flange Nuts Zinc w/ (Qty 2)
- 3 3/8 Nylock Flange Nut (Qty 2)
- 4 5/8-11 Nylon Insert Jam Locknu (Qty 1)
- 5 3/8-16 Hex Nuts Zinc (Qty 12)
- 6 5/16-18 Nylon Flange Nut (Qty 3)
- 7 1/2-13 Nylon Insert Flange Nut (Qty 11)
- 8 Raider Pulley Cover (Qty 2)
- 9 Deck Wheel Bolt (Qty 2)
- 10 1/2 x 2 Carriage Bolt (Qty 1)
- 11 1/2 x 3 1/2 Flange Bolt - Gr 8 (Qty 2)
- 12 1/2-13 X 4 GR 8 Hex Bolt Yellow (Qty 1)
- 13 3/8-16 X 1-1/4 GR 5 Hex Bolt (Qty 12)
- 14 5/8-11 X 4 GR 8 Hex Bolts Zinc (Qty 1)
- 15 1/2-20 X 1-1/2 GR 5 Bolts Zinc (Qty 3)
- 16 5/8-18 X 1-1/2 GR 8 Hex Bolts (Qty 3)
- 17 1/2-13 X 3-1/2 GR 5 Hex Bolts (Qty 4)
- 18 3/8-16 x 5 1/2 Hex Bolt - Grade 5 (Qty 2)
- 19 5/16-18 X 3/4 Carriage ASTM B307 (~Gr 5) (Qty 3)
- 20 .517 Square Hole Round Washer (Qty 1)
- 21 1/2 Lockwasher Zinc (Qty 3)
- 22 3/8 Lockwasher Zinc (Qty 12)
- 23 5/8 Flat Washer (Qty 3)
- 24 .630 ID X 1.122 OD X .142 THK (Qty 2)
- 25 1/2 Belleville Washer #K2000-G (Qty 5)
- 26 .360 ID Black Plastic Washer (Qty 4)
- 27 .505 ID X 1 OD X .128 THK Washer (Qty 8)
- 28 Deck Wheel (Qty 2)
- 29 .502 ID X 1.000 0D X 1.500 (Qty 2)
- 30 .502 ID X 1.00 OD X 1.750 (Qty 1)
- 31 OBSOLETE USE 028-0004-22 (Qty 2)
- 32 2014 54" MZ Deck Pulley (Qty 3)
- 33 5 3/4 Idler Pulley-Capitol (Qty 3)
- 34 2015 Deck Idler Spring (Qty 1)
- 35 Spindle Assembly-Magnum Models (Qty 3)
- 36 54" MZ Blade (Qty 3)
- 37 MZ/ZT Deck Hanger Assembly (Qty 4)
- 38 2017 54"/48" Deck Idler Assembly (Qty 1)
- 39 54" 2017&Up MZ/ Magnum/ZT/Mav/20 Avenger Deck Belt (Qty 1)
- 40 3/16 X 1 Square Machine Key (Qty 3)
- 41 54" Magnum/Avenger Deck (Qty 1)
- 42 MZ Discharge Chute Assembly (Qty 1)