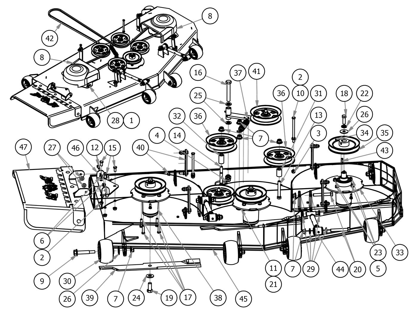
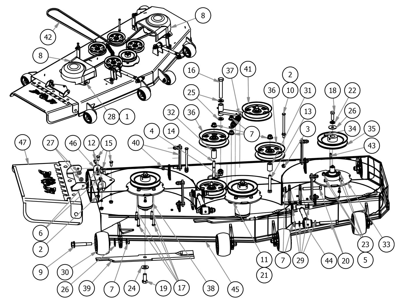
60" Deck Assembly

Parts Index
- 1 Acorn Nut-Pulley Cover (Qty 4)
- 2 3/8-16 Hex Flange Nuts Zinc w/ (Qty 5)
- 3 3/8 Nylock Flange Nut (Qty 2)
- 5 3/8-16 Hex Nuts Zinc (Qty 12)
- 6 5/16-18 Nylon Flange Nut (Qty 2)
- 7 1/2-13 Nylon Insert Flange Nut (Qty 15)
- 8 Pulley Cover (Qty 2)
- 9 Deck Wheel Bolt (Qty 6)
- 10 3/8"-16 x 5 1/4" Grade 5 Hex Bolt (Qty 2)
- 11 1/2 x 2 Carriage Bolt (Qty 1)
- 12 5/16-18 X 1 GR 5 Hex Bolt Zinc (Qty 2)
- 13 1/2 x 3 1/2 Flange Bolt - Gr 8 (Qty 2)
- 14 1/2-13 X 4 GR 8 Hex Bolt Yellow (Qty 1)
- 15 3/8-16 X 3/4 GR 5 Hex Bolts (Qty 3)
- 16 5/8-11 X 4 GR 8 Hex Bolts Zinc (Qty 1)
- 17 3/8 x 1 1/2 Bolt (Qty 2)
- 18 1/2-20 X 1-1/2 GR 5 Bolts Zinc (Qty 3)
- 19 5/8-18 X 1-1/2 GR 8 Hex Bolts (Qty 3)
- 20 1/2-13 X 3-1/2 GR 5 Hex Bolts (Qty 4)
- 21 .517 Square Hole Round Washer (Qty 1)
- 22 1/2 Lockwasher Zinc (Qty 3)
- 23 3/8 Lockwasher Zinc (Qty 12)
- 24 5/8 Flat Washer (Qty 3)
- 25 .630 ID X 1.122 OD X .142 THK (Qty 2)
- 26 1/2 Belleville Washer #K2000-G (Qty 9)
- 27 .360 ID Plastic Washer (Qty 2)
- 28 .360 ID Black Plastic Washer (Qty 4)
- 29 .505 ID X 1 OD X .128 THK Washer (Qty 8)
- 30 Deck Wheel (Qty 6)
- 31 .502 ID X 1.000 0D X 1.500 (Qty 2)
- 32 .502 ID X 1.00 OD X 1.750 (Qty 1)
- 33 Deck Spindle Support Plate 60"--Orange (Qty 3)
- 34 5/16-24 x 1/4 Set Screw (Qty 3)
- 35 6 1/4 Spindle Deck Pulley (Qty 3)
- 36 5 3/4 Idler Pulley-Capitol (Qty 3)
- 37 2015 Deck Idler Spring (Qty 1)
- 38 Spindle-Aluminum (Qty 3)
- 39 60" High Lift Blade (Qty 3)
- 40 MZ/ZT Deck Hanger Assembly (Qty 4)
- 41 2017 MZ/ZT Deck Idler Assembly (Qty 1)
- 42 60 Pup/Lightning/ZT/Mav/Avenger/ - 54 Rebel/Rogue (Qty 1)
- 43 1/4 x 1 Square Key (Qty 3)
- 44 Toplink (Qty 2)
- 45 2017 60" ZT Deck (Qty 1)
- 46 Discharge Chute Hanger-Deck (Qty 1)
- 47 2017 54"/60" ZT/Mav Chute Assembly (Qty 1)