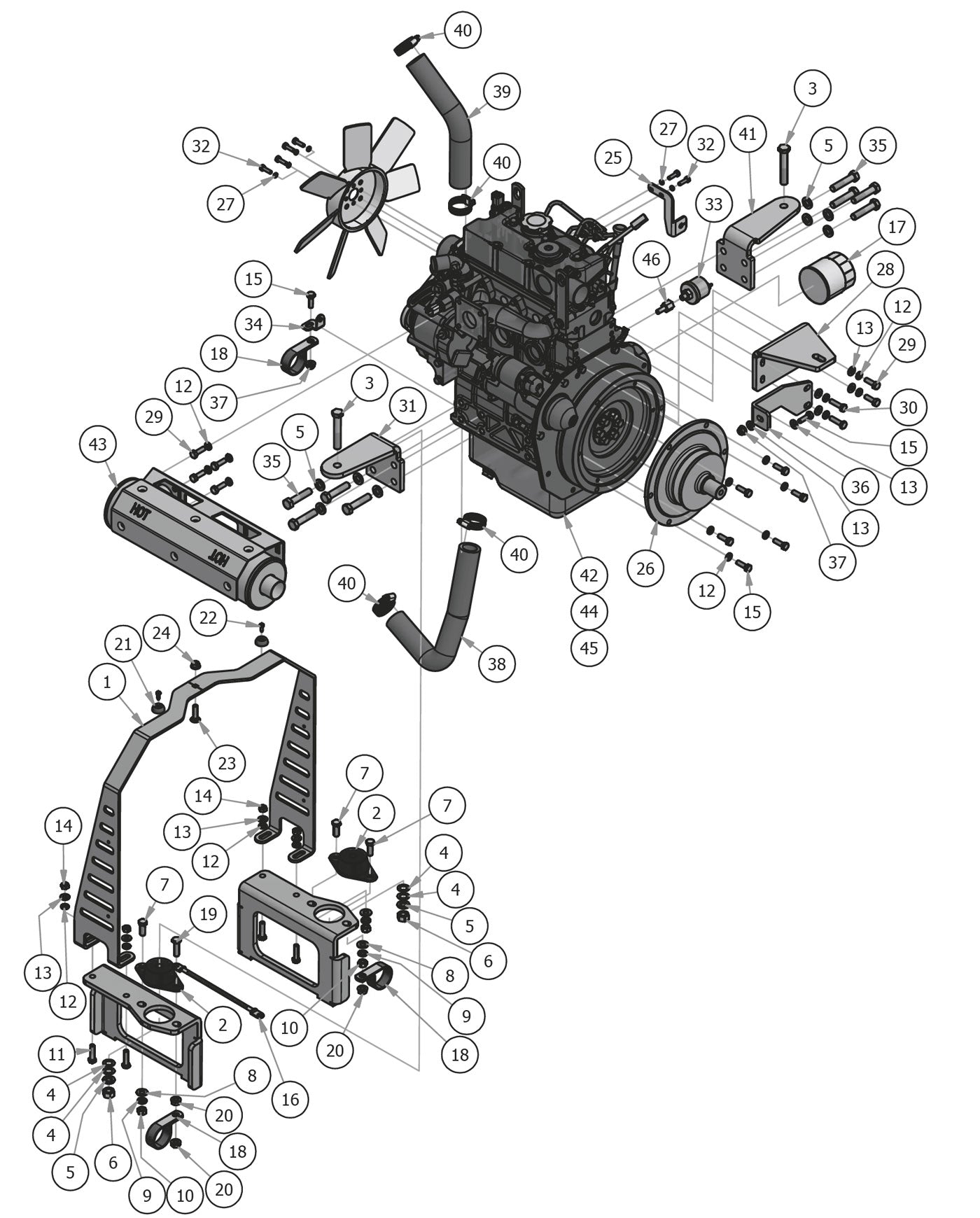
Engine

Parts Index
- 2 Rubber Compression Mount (Qty 2)
- 3 1/2-13 X 3 GR 5 Hex Bolts Zinc (Qty 2)
- 4 .565x1.25x.095 Washer Brass (Qty 4)
- 5 1/2 Lockwasher Zinc (Qty 10)
- 6 1/2-13 Hex Nuts Zinc (Qty 2)
- 7 3/8-16 X 1 GR 5 Hex Bolts Zinc (Qty 3)
- 8 3/8 USS Flat Washer Zinc (Qty 3)
- 9 3/8 Lockwasher Zinc (Qty 3)
- 10 3/8-16 Hex Nuts Zinc (Qty 3)
- 11 5/16-18 X 1-1/4 GR 5 Hex Bolt (Qty 4)
- 12 5/16 Lock washer Zinc (Qty 18)
- 13 5/16 USS Flat Washer Zinc (Qty 10)
- 14 5/16-18 Hex Nuts Zinc (Qty 4)
- 15 5/16-18 X 1 GR 5 Hex Bolt Zinc (Qty 8)
- 16 Black Battery Cable - Diesel (Qty 1)
- 17 Caterpillar Oil Filter (Qty 1)
- 18 Diesel Clamp - 1 3/4 Vinyl (Qty 3)
- 19 3/8 x 1 1/2 Bolt (Qty 1)
- 20 3/8-16 Hex Flange Nuts Zinc w/ (Qty 3)
- 21 Button Bumper (Qty 2)
- 22 10 X 1/2 Pan Phil a T/S Zinc (Qty 2)
- 23 5/16-18 X 1-1/4 Carriage Bolt (Qty 1)
- 24 5/16-18 Nylon Flange Nut (Qty 1)
- 25 Throttle Bracket--Plated (Qty 1)
- 26 Stub shaft- Diesel (Qty 1)
- 27 1/4 Lockwasher Zinc (Qty 6)
- 28 Air Cleaner Support Diesel (Qty 1)
- 29 M8 X 1.25 X 25MM Class 10.9 (Qty 6)
- 30 M8 x 1.25 x 30MM Hex Head Bolt (Qty 2)
- 31 Diesel Side Motor Mount (Right side) (Qty 1)
- 32 M6x1.0x20MM 8.8 Hex Bolts Zinc (Qty 6)
- 33 Pressure Sender-2012 Gauge (Qty 1)
- 34 Radiator Hose Clamp Bracket--Plated (Qty 1)
- 35 12mm Bolt - Diesel (Qty 18)
- 36 Muffler Brace Diesel (Qty 1)
- 37 5/16-18 Hex Flange Nuts Zinc w (Qty 2)
- 38 Diesel Radiator Hose - Bottom (Qty 1)
- 39 Top Radiator Hose - Diesel (Qty 1)
- 40 1 1/8 Hose Clamp (Qty 4)
- 41 Diesel Side Motor Mount Left (Qty 1)
- 42 35hp Caterpillar Diesel Engine (Qty 1)
- 43 35hp Perkins/Cat Muffler (Qty 1)
- 46 8mm x 1/8 Adaptor (Qty 1)
- 47 CAT FUEL FILTER SMALL (Qty 1)