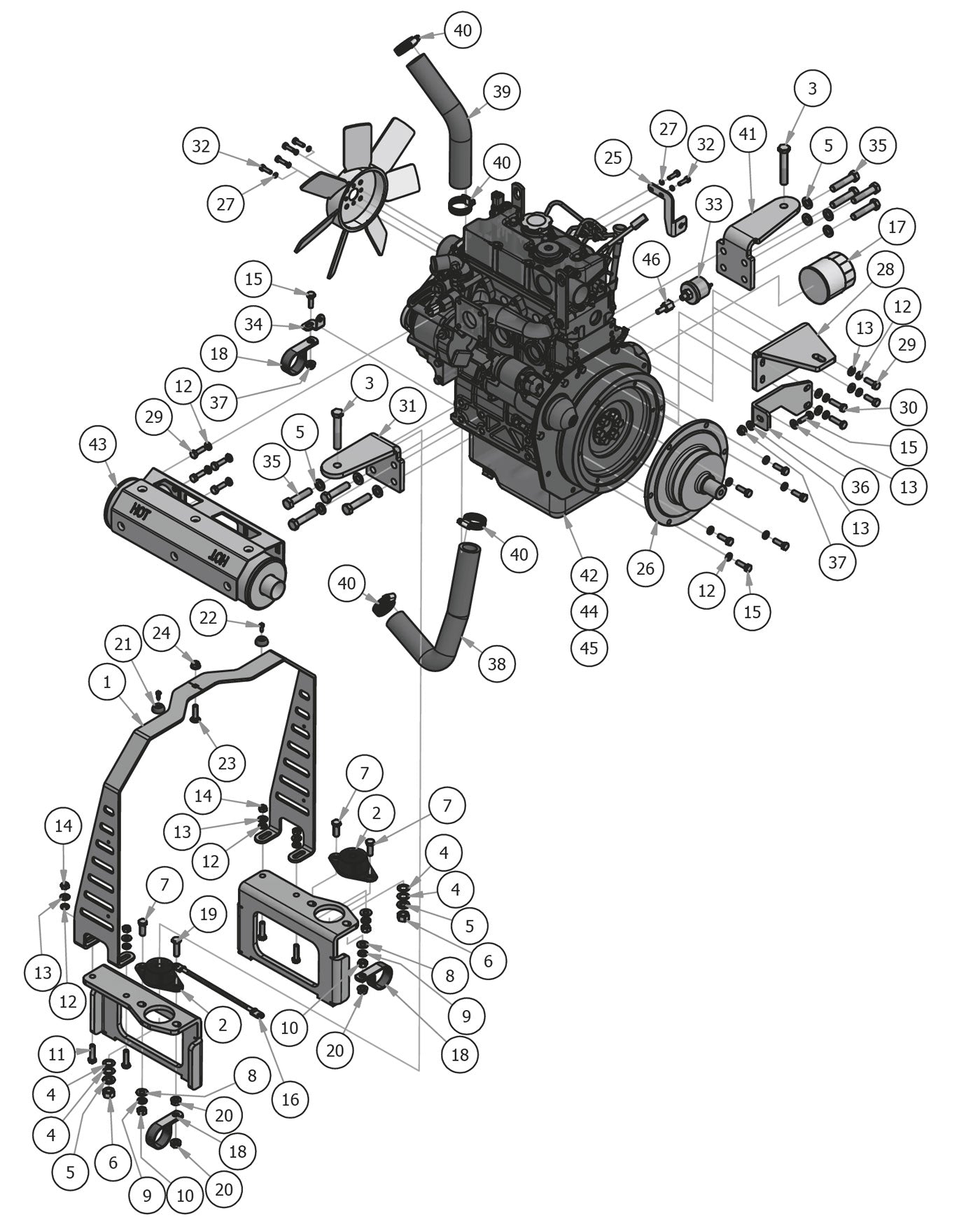
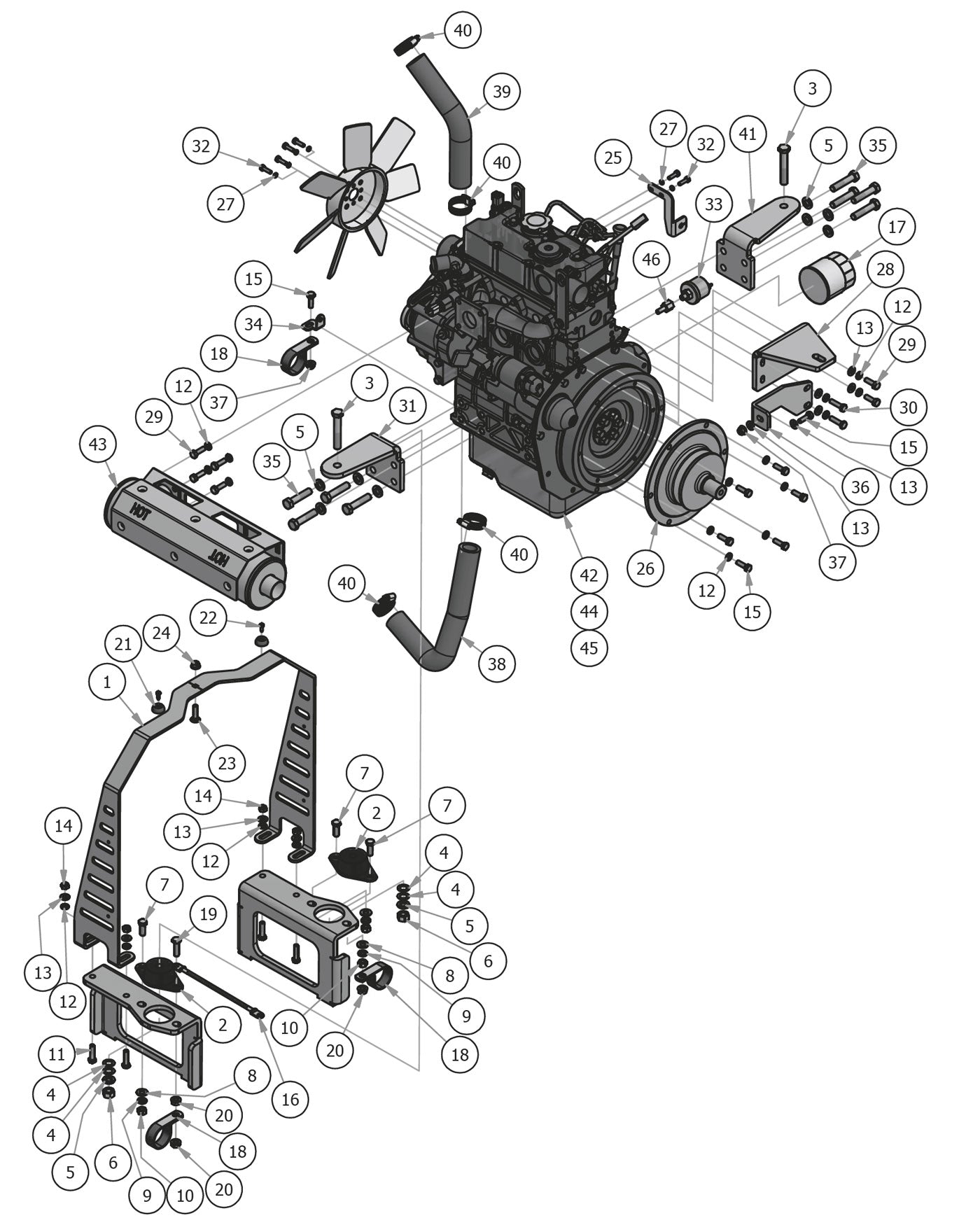
Engine

Engine

Parts Index